Curiosii for ever!: Car repair manuals for everyone.

Stop Light Switch Circuit


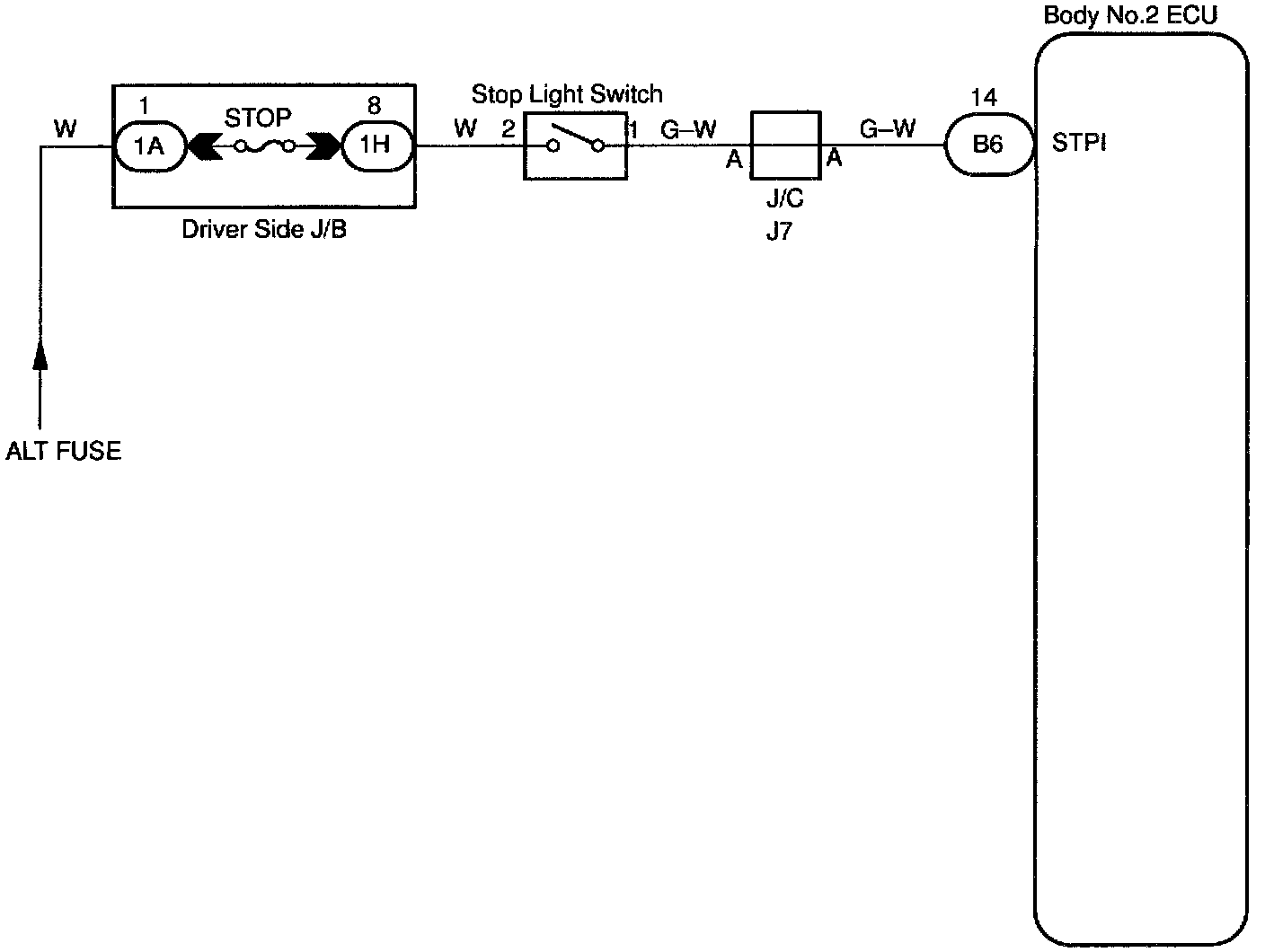
Stop Light Switch Circuit

CIRCUIT DESCRIPTION
The body No. 2 ECU is detecting the condition of the stop light switch.





WIRING DIAGRAM

Step 1:




Step 2:




Step 3:





INSPECTION PROCEDURE

HINT: In case of using the LEXUS hand-held tester, start the inspection from step 1 and in case of not using the LEXUS hand-held tester, start from step 2.