Curiosii for ever!: Car repair manuals for everyone.

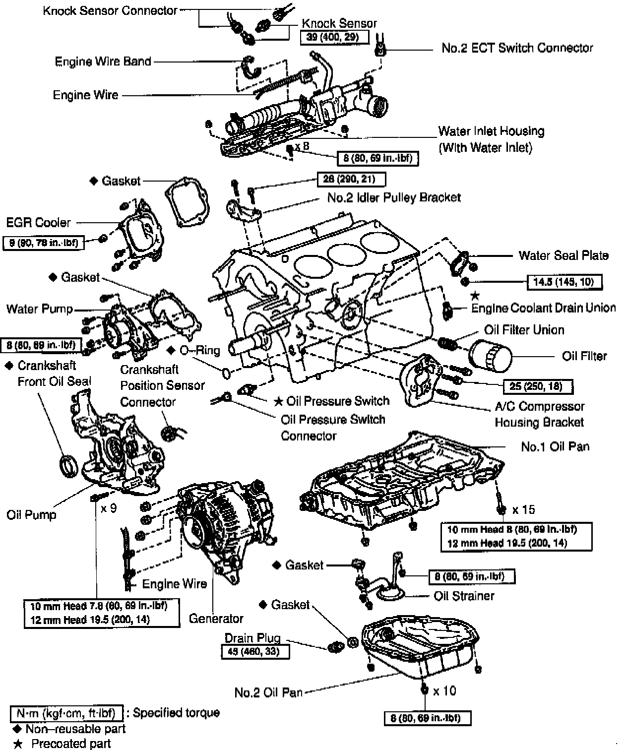
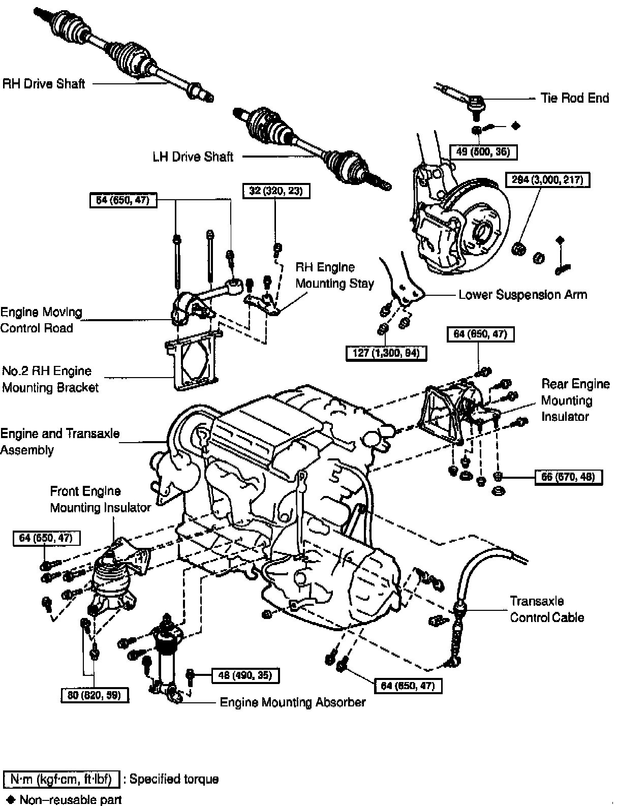
System Specifications



















































3.0L Cylinder Head Torque & Sequence:




3.0L Cylinder Head Torque & Sequence Cont.:





TORQUE SPECIFICATIONS
Cylinder Head To Cylinder Block:
12 Pointed Head:
1st Turn 54 Nm (40 ft. lbs.)
2nd Turn 90°
Recessed Head 18.5 Nm (13 ft. lbs.)