Curiosii for ever!: Car repair manuals for everyone.

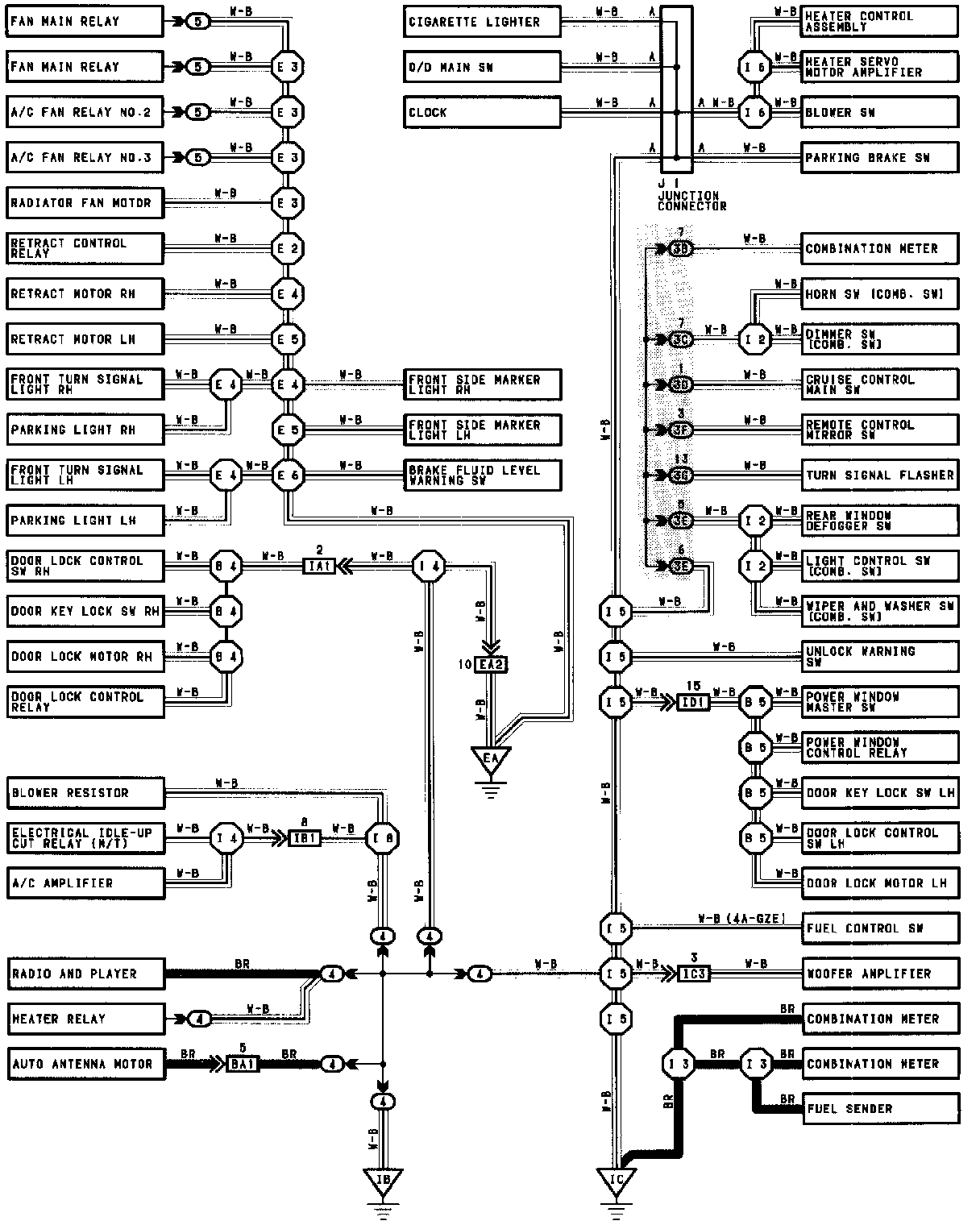
How to Read Ground Point

Ground Points:




The ground points circuit diagram shows the connections from all major parts to the respective ground points. When troubleshooting a faulty ground point, checking the system circuits which use a common ground may help you identify the problem ground quickly. The relationship between ground points (EA, IB and IC shown below) can also be checked this way.