Curiosii for ever!
: Car repair manuals for everyone.
Home
>>
Lexus
>>
1998
>>
ES 300 V6-3.0L (1MZ-FE)
>>
Repair and Diagnosis
>>
Diagrams
>>
Electrical Diagrams
>>
Antitheft and Alarm Systems
>>
Antitheft Lighting Relay
>>
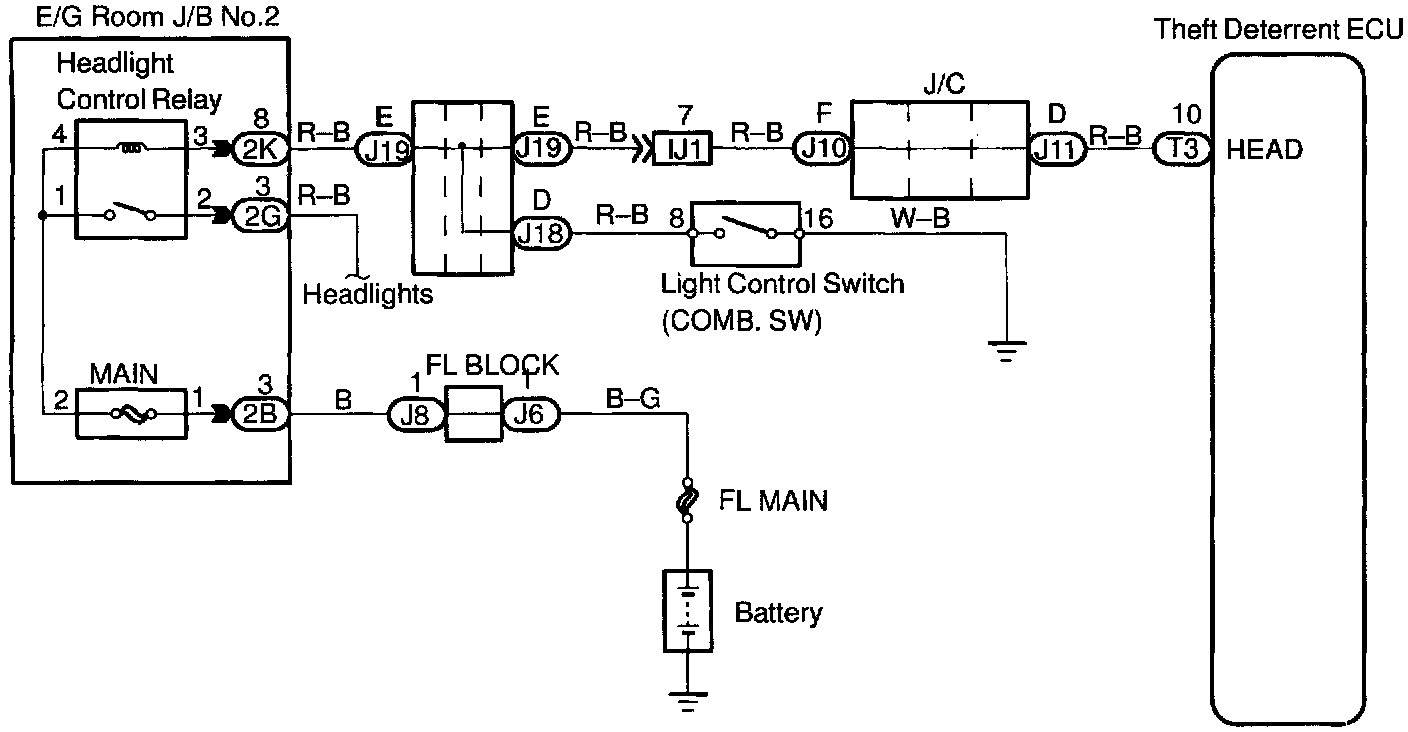
Headlight Control Relay Circuit
Headlight Control Relay Circuit