Curiosii for ever!: Car repair manuals for everyone.

Ignition Cable: Service and Repair









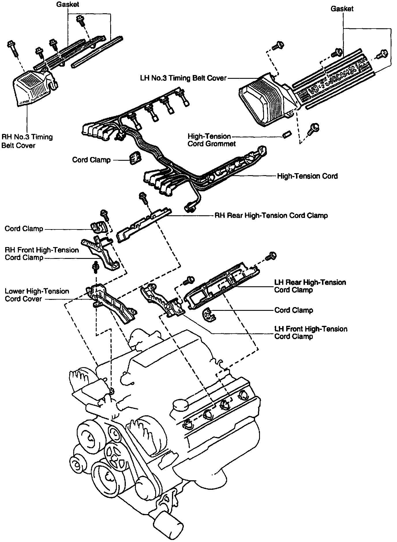
COMPONENTS FOR REMOVAL AND INSTALLATION

HIGH-TENSION CORDS AND CORD CLAMPS REMOVAL

1. REMOVE BATTERY CLAMP COVER
2. REMOVE NO.3 TIMING BELT COVERS
3. REMOVE HIGH-TENSION CORDS





(a) Disconnect the high-tension cords from the spark plugs and distributor caps. Disconnect the high-tension cords at the rubber boot. Do not pull on the cords.

NOTICE: Pulling on or bending the cords may damage the conductor Inside.





(b) Disconnect the high-tension cords from the ignition coils.
- Using a screwdriver, lift up the lock claw and disconnect the holder from the ignition coil.





- Disconnect the high-tension cord at the grommet. Do not pull on the cord.

NOTICE: Pulling on or bending the cords may damage the conductor inside.

(c) Disconnect the high-tension cords from the cord clamps and lower high-tension cord cover and remove the 10 high-tension cords.
(d) Remove the 5 cord clamps from the high-tension cords.
4. REMOVE RH HIGH-TENSION CORD CLAMPS
(a) Remove the 2 bolts and 2 high-tension cord clamps.
(b) Remove the cord clamp from the front high-tension cord clamp.
5. REMOVE LH HIGH-TENSION CORD CLAMPS
(a) Remove the 2 bolts and 2 high-tension cord clamps.
(b) Remove the cord clamp from the front high-tension cord clamp.
6. REMOVE LOWER HIGH-TENSION CORD COVER
Remove the stud bolt and high-tension cord cover.

HIGH-TENSION CORDS AND CORD CLAMPS INSTALLATION

1. INSTALL LOWER HIGH-TENSION CORD COVER
Install the high-tension cord cover with the stud bolt.

Torque: 5.5 N.m (55 kgf.cm, 48 in.lbf)

2. INSTALL RH HIGH-TENSION CORD CLAMPS





(a) Install the cord clamp to the front high-tension cord clamp.





(b) Install the front and rear high-tension cord clamps with the 2 bolts.

Torque: 5.5 N.m (55 kgf.cm, 48 in.lbf)

HINT: Place the front and rear ends of the front high-tension cord clamp on the rear high-tension cord clamp and lower high-tension cord cover.

3. INSTALL LH HIGH-TENSION CORD CLAMPS





(a) Install the cord clamp to the front high-tension cord clamp.





(b) Install front and rear high-tension cord clamps with the 2 bolts.

Torque: 5.5 N.m (55 kgf.cm. 48 in.lbf)

HINT: Place the front and rear ends of the front high-tension cord clamp on the rear high-tension cord clamp and lower high-tension cord cover.

4. INSTALL HIGH-TENSION CORDS





(a) Connect the high-tension cords to the spark plugs and distributor caps.

NOTICE: Install the high-tension cord by pressing on the correct place as shown in the illustration. If not done this way. the high-tension cord will interfere with the camshaft timing pulley.








(b) Secure the high-tension cords with the cord clamps as shown in the illustration.
(c) Connect the high-tension cords to the ignition coils.
- Set the angle of the grommet as shown in the illustration.
- Align the spline of the ignition coil with the spline of the holder.
- Install the grommet and holder to the ignition coil until the claw of the holder locks securely.





NOTICE: Check that holder is correctly installed to the grommet and ignition coil as shown in the illustration.





- Check that the lock claw of the holder is engaged by lightly pulling the holder.
5. INSTALL NO.3 TIMING BELT COVERS
6. INSTALL BATTERY CLAMP COVER