Curiosii for ever!
: Car repair manuals for everyone.
Home
>>
Lexus
>>
1997
>>
SC 400 V8-4.0L (1UZ-FE)
>>
Repair and Diagnosis
>>
Powertrain Management
>>
Ignition System
>>
Distributor
>>
Locations
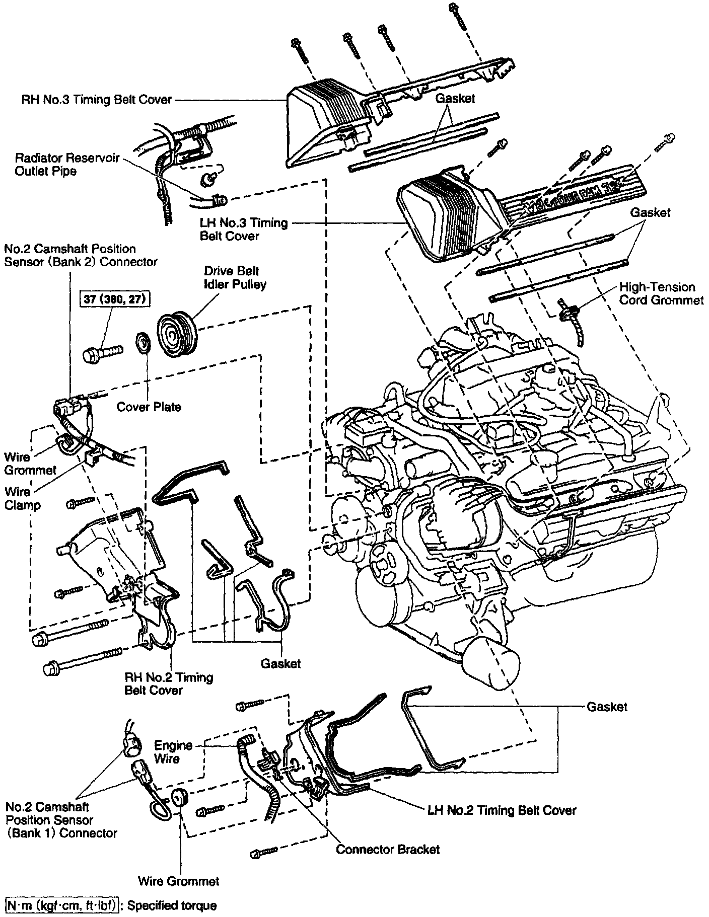
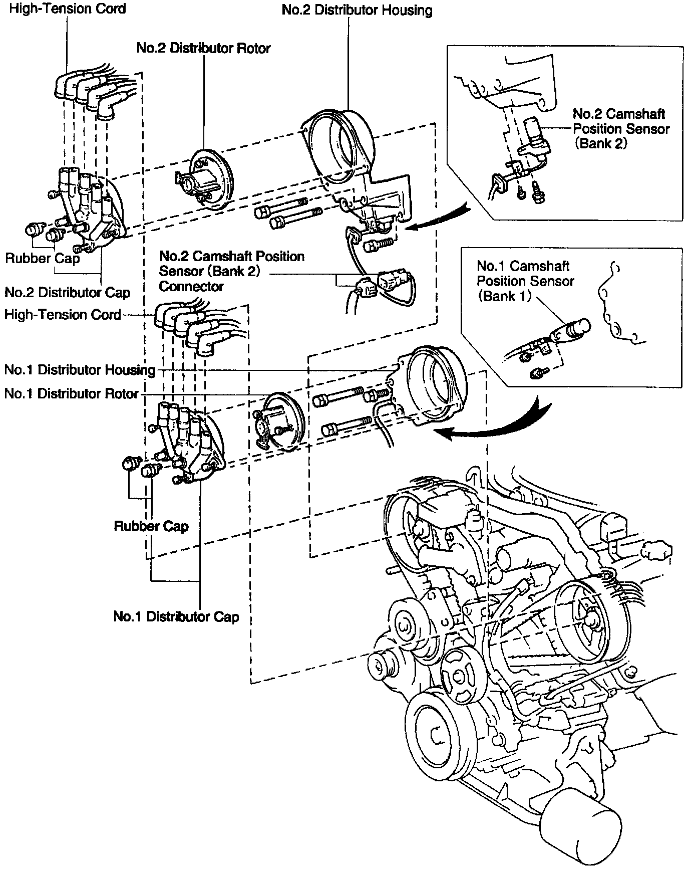
Distributor: Locations