Curiosii for ever!
: Car repair manuals for everyone.
Home
>>
Lexus
>>
1997
>>
SC 400 V8-4.0L (1UZ-FE)
>>
Repair and Diagnosis
>>
Cruise Control
>>
Cruise Control Module
>>
Testing and Inspection
>>
Back-up Power Source Circuit
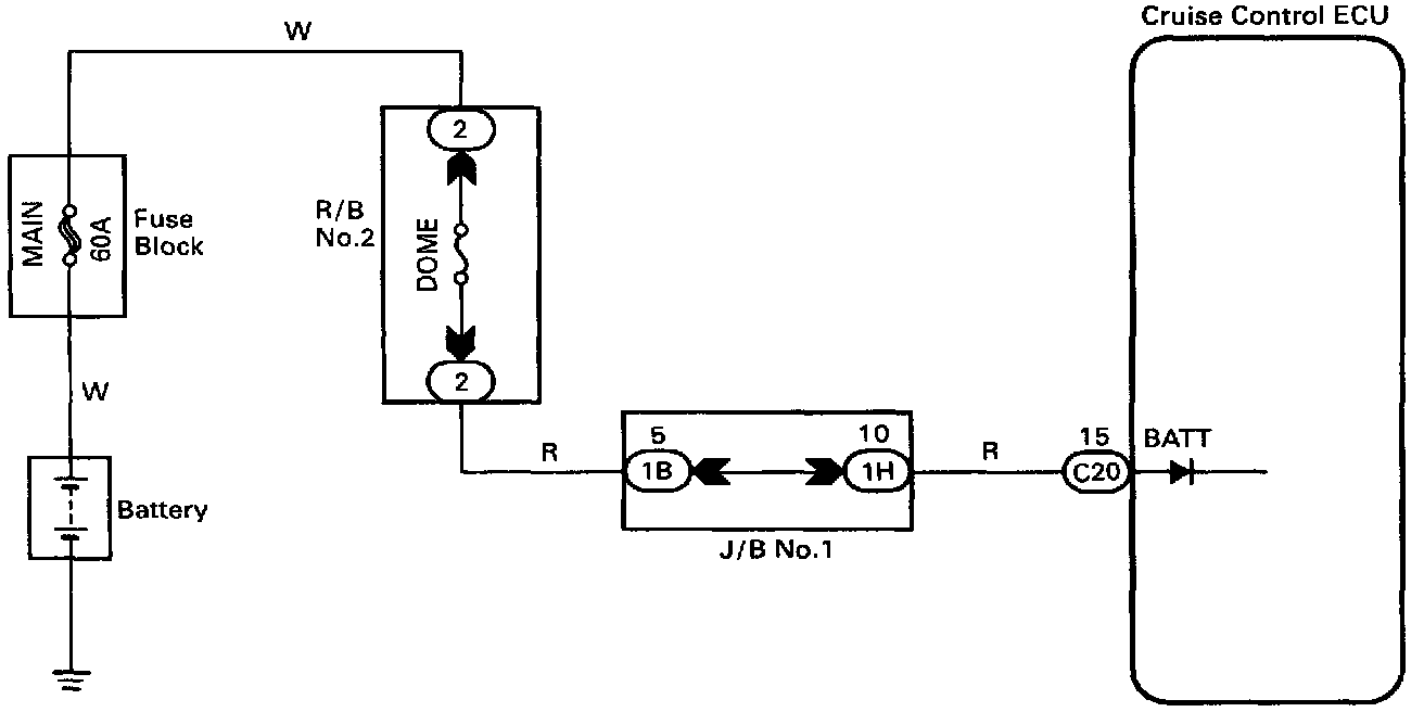
Back-up Power Source Circuit
CIRCUIT DESCRIPTION
The ECU back-up power source provides power even when the ignition is off and is used for DTC memory, etc..
WIRING DIAGRAM
INSPECTION PROCEDURE