Curiosii for ever!
: Car repair manuals for everyone.
Home
>>
Lexus
>>
1997
>>
LS 400 V8-4.0L (1UZ-FE)
>>
Repair and Diagnosis
>>
Powertrain Management
>>
Relays and Modules - Powertrain Management
>>
Relays and Modules - Computers and Control Systems
>>
Engine Control Module
>>
Testing and Inspection
>>
Component Tests and General Diagnostics
Component Tests and General Diagnostics
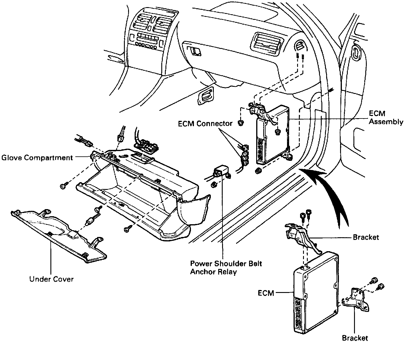
COMPONENTS FOR REMOVAL AND INSTALLATION
ECM INSPECTION
1.
REMOVE ECM FROM BODY BRACKET
2.
INSPECT ECM
Testing and Inspection
3.
REINSTALL ECM