Curiosii for ever!: Car repair manuals for everyone.

Distributor: Service and Repair

DISTRIBUTOR REMOVAL





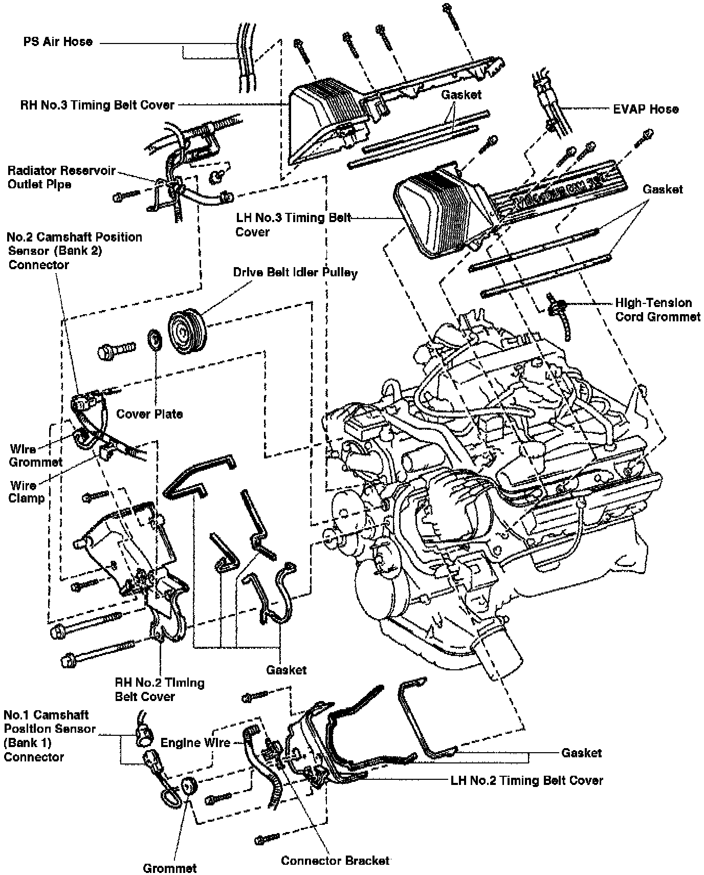
1. REMOVE NO.2 TIMING BELT COVERS





2. DISCONNECT HIGH-TENSION CORDS FROM DISTRIBUTOR CAPS
3. REMOVE DISTRIBUTOR CAPS
(a) Loosen the 3 bolts and remove the distributor cap.
Remove the 2 distributor caps.

HINT: Arrange the distributor caps (No.1 and No.2).

(b) Remove the 2 rubber caps from each distributor cap.
4. REMOVE DISTRIBUTOR ROTORS
Loosen the 2 bolts and remove the distributor rotor.
Remove the 2 distributor rotors.

HINT: Arrange the distributor rotors (No.1 and No.2).





5. REMOVE DISTRIBUTOR HOUSINGS
(a) No.2 Distributor Housing:
Disconnect the camshaft position sensor connector.
(b) Remove the 3 bolts and distributor housing.
Remove the 2 distributor housings.
6. REMOVE CAMSHAFT POSITION SENSORS FROM DISTRIBUTOR HOUSINGS
Remove the bolt. screw and camshaft position sensor.
Remove the 2 camshaft position sensors.

DISTRIBUTOR INSTALLATION





1. INSTALL CAMSHAFT POSITION SENSORS TO DISTRIBUTOR HOUSINGS
Install the camshaft position sensor with the bolt and screw.
Install the 2 camshaft position sensors.

Torque: 3.8 N.m (39 kgf.cm, 34 in.lbf)

HINT:
- The No.1 distributor housing is marked with "L".
- The No.2 distributor housing is marked with "R".





2. INSTALL NO.1 DISTRIBUTOR HOUSING
Install the distributor housing with the 3 bolts.

Torque: 18 N.m (185 kgf.cm, 13 ft.lbf)

HINT:
- The No.1 distributor housing is marked with "L".
- Each bolt length is indicated in the illustration.

Bolt length:
A 38 mm (1.50 in.)
B 80 mm (3.15 in.)






3. INSTALL NO.2 DISTRIBUTOR HOUSING
Install the distributor housing with the 3 bolts.

Torque: 18 N.m (185 kgf.cm, 13 ft.lbf)

HINT:
- The No.2 distributor housing is marked with "R".
- Each bolt length is indicated in the illustration.
Bolt length:
A 38 mm (1.50 in.)
B 96 mm (3.78 in.)






4. INSTALL DISTRIBUTOR ROTORS
(a) Align the protrusion of the distributor rotor with the groove of the camshaft timing pulley.
(b) Install the distributor rotor with the 2 bolts. Install the a 2 distributor rotors.

Torque: 3.8 N.m (39 kgf.cm, 34 in.lbf)





5. INSTALL DISTRIBUTOR CAPS
(a) Install the distributor cap with the 3 bolts. Install the 2 distributor caps.

Torque: 3.8 N.m (39 kgf.cm, 34 in.lbf)

(b) Install the 2 rubber caps to each distributor cap.
6. CONNECT HIGH-TENSION CORDS TO DISTRIBUTOR CAPS
7. INSTALL NO.2 TIMING BELT COVERS
8. CHECK IGNITION TIMING