Curiosii for ever!: Car repair manuals for everyone.

Inspection Procedure Using OBDII Scan Tool





Circuit Description
The ECM turns on a VSV (Vacuum Switching Valve) to draw the air into the diaphragm chamber of the pressure regulator if it detects that the temperature of the engine coolant is too high during engine starting.
The air drawn into the chamber increases the fuel pressure to prevent fuel vapor lock at high engine temperature in order to help the engine start when it is warm.
Fuel pressure control ends approx. 150 seconds after the engine is started.





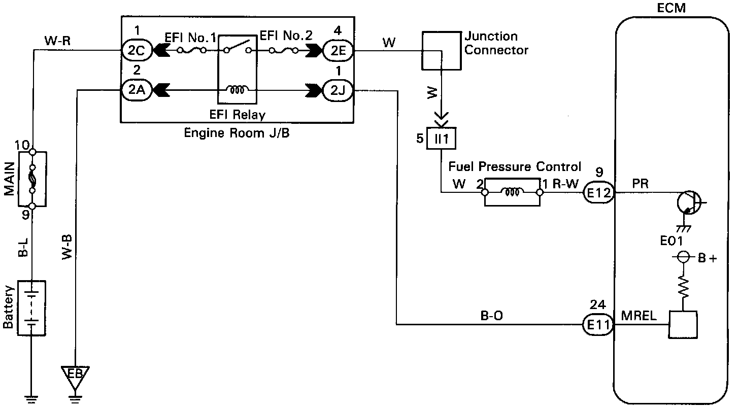
Wiring Diagram











Inspection Procedure