Curiosii for ever!: Car repair manuals for everyone.

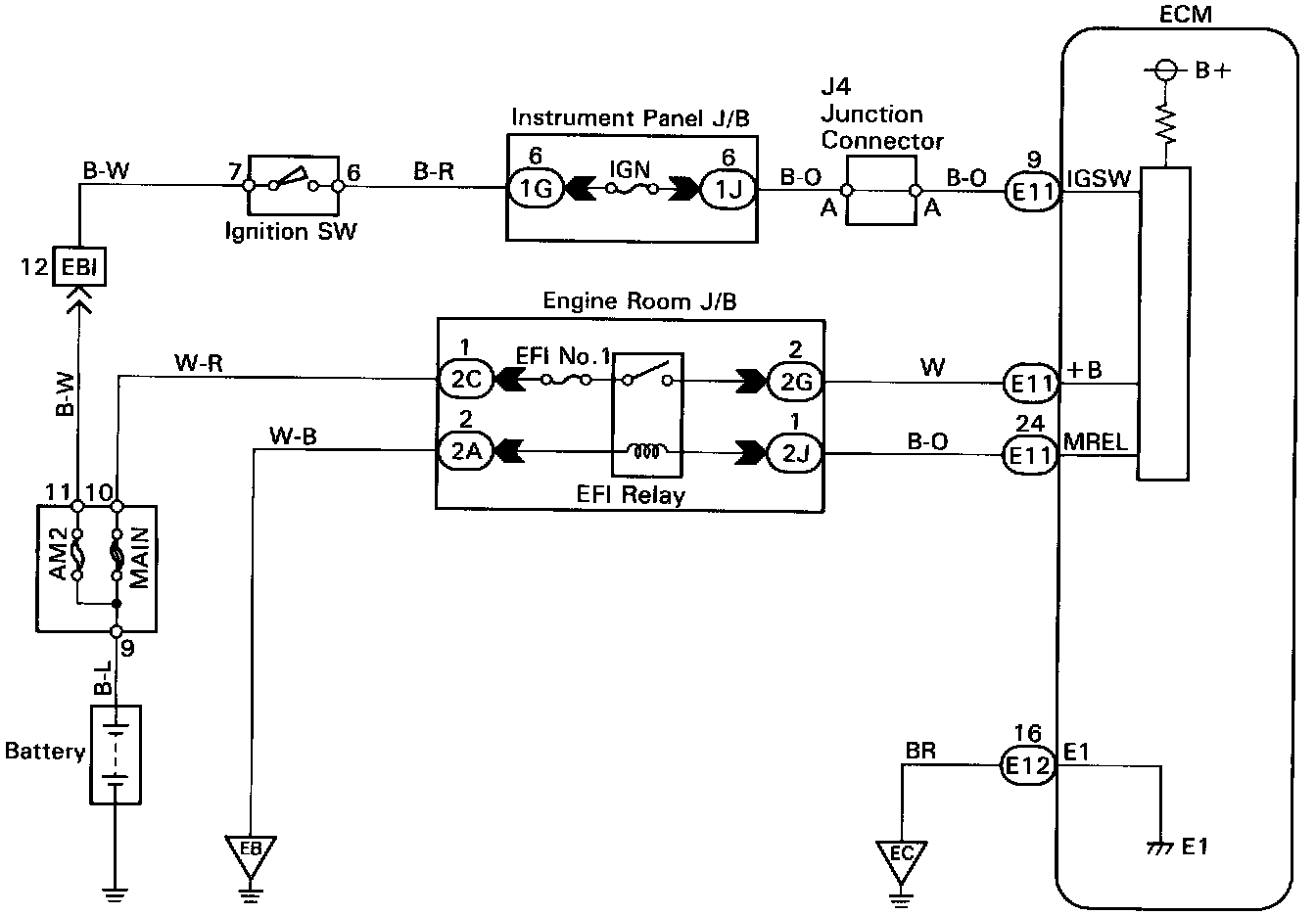
ECM Power Source Circuit

Circuit Description
When the ignition switch is turned on, battery positive voltage is applied to the terminal IGSW of the ECM and the EFI main relay (Marking: EFI) control circuit in the ECM sends a signal to the terminal MREL of the ECM switching on the EFI main relay.

This signal causes current to flow to the coil, closing the contacts of the EFI main relay and supplying power to the terminals +B of the ECM.

If the ignition switch is turned off, the ECM continues to switch on the EFI main relay for a maximum of 2 seconds for the initial setting of the AC valve.





Wiring Diagram





























Inspection Procedure