Curiosii for ever!: Car repair manuals for everyone.

Air Flow Meter/Sensor: Description and Operation








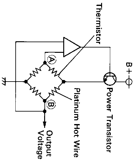
The mass air flow meter uses a platinum hot wire. The hot wire air flow meter consists of a platinum hot wire, thermistor and a control circuit installed in a plastic housing. The hot wire air flow meter works on the principle that the hot wire and thermistor located in the intake air bypass of the housing detect any changes in the intake air temperature.