Curiosii for ever!: Car repair manuals for everyone.

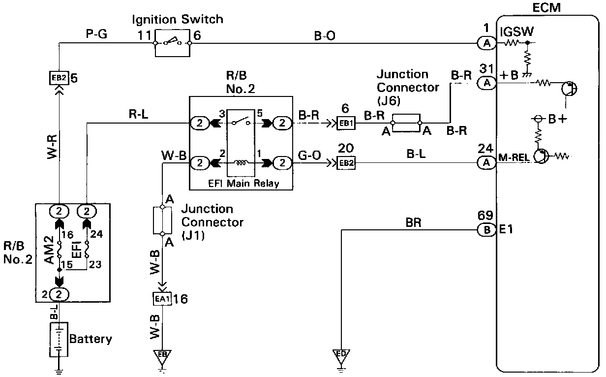
ECM Power Source Circuit
































CIRCUIT DESCRIPTION
When the ignition switch is turned ON, battery positive voltage is applied to the coil, closing the contacts of the EFI main relay and supplying power to the terminals +B of the ECM.

WIRING DIAGRAM

INSPECTION PROCEDURE