Curiosii for ever!
: Car repair manuals for everyone.
Home
>>
Lexus
>>
1997
>>
ES 300 V6-3.0L (1MZ-FE)
>>
Repair and Diagnosis
>>
Powertrain Management
>>
Computers and Control Systems
>>
Air Flow Meter/Sensor
>>
Locations
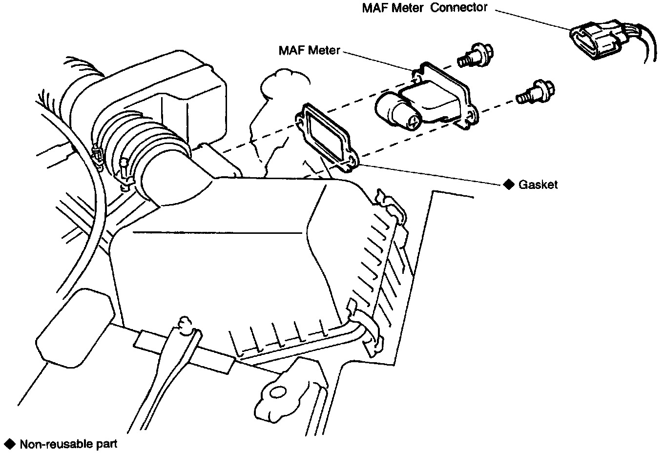
Air Flow Meter/Sensor: Locations