Curiosii for ever!
: Car repair manuals for everyone.
Home
>>
Lexus
>>
1996
>>
SC 300 L6-3.0L (2JZ-GE)
>>
Repair and Diagnosis
>>
Powertrain Management
>>
Ignition System
>>
Distributor
>>
Locations
>>
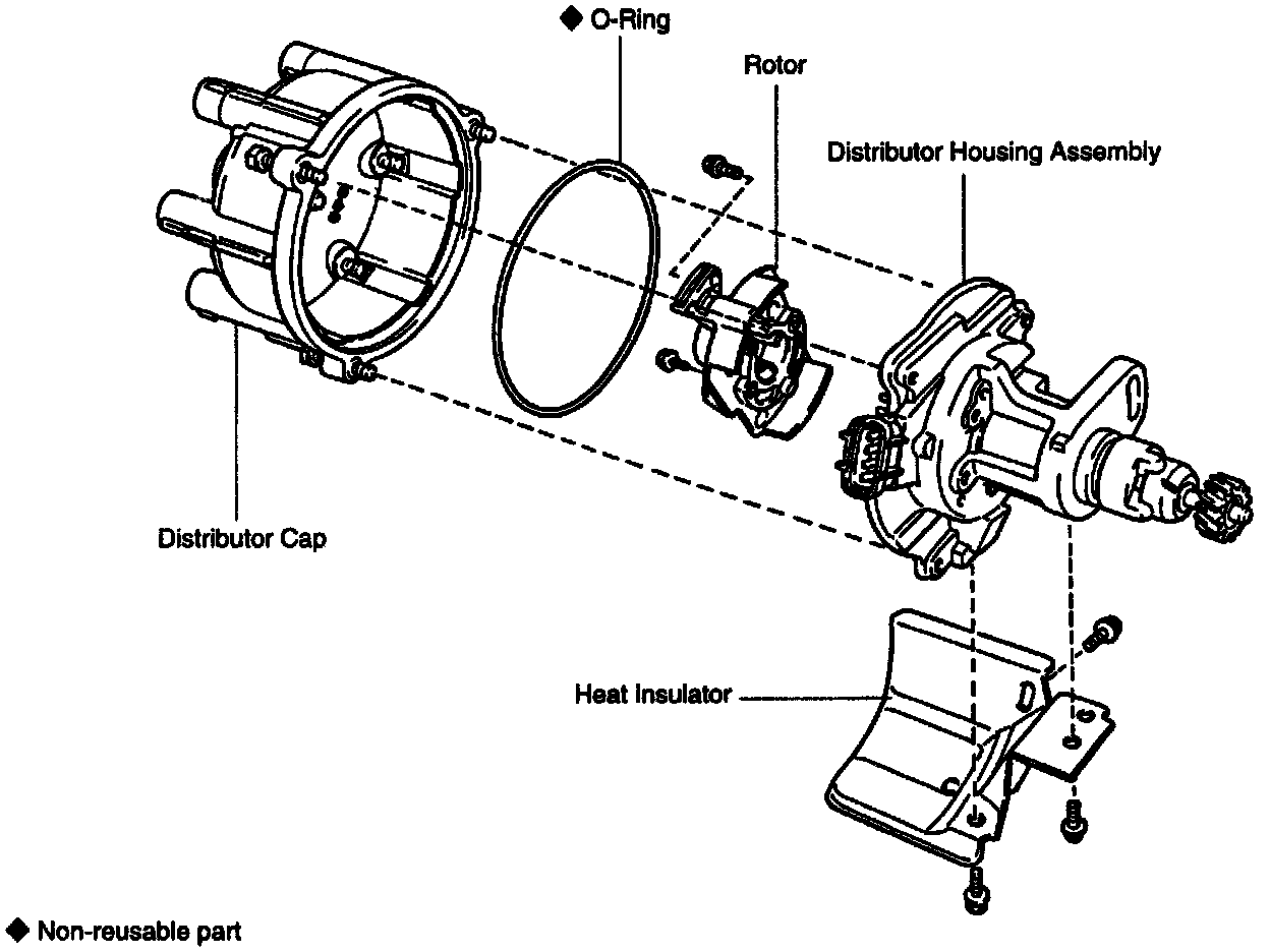
Components For Disassembly and Assembly
Components For Disassembly and Assembly