Curiosii for ever!
: Car repair manuals for everyone.
Home
>>
Lexus
>>
1996
>>
LS 400 V8-4.0L (1UZ-FE)
>>
Repair and Diagnosis
>>
Powertrain Management
>>
Computers and Control Systems
>>
Relays and Modules - Computers and Control Systems
>>
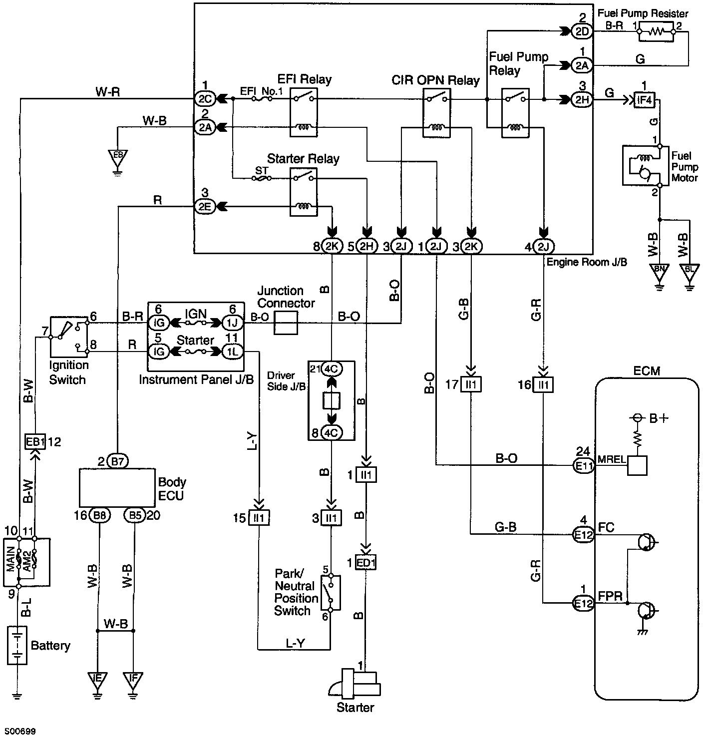
Main Relay (Computer/Fuel System)
>>
Diagrams
>>
Electrical Diagrams
Electrical Diagrams