Curiosii for ever!
: Car repair manuals for everyone.
Home
>>
Lexus
>>
1996
>>
ES 300 V6-3.0L (1MZ-FE)
>>
Repair and Diagnosis
>>
Powertrain Management
>>
Computers and Control Systems
>>
Throttle Position Sensor
>>
Testing and Inspection
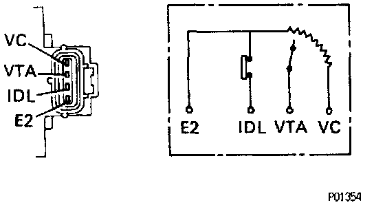
Throttle Position Sensor: Testing and Inspection
1.
Apply vacuum to the throttle opener.
2.
Disconnect the sensor connector.
3.
Insert a feeler gauge between the throttle stop screw and stop lever.