Curiosii for ever!: Car repair manuals for everyone.

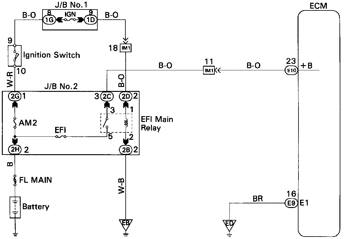
ECM Power Source Circuit





WIRING DIAGRAM

CIRCUIT DESCRIPTION
When the ignition switch is turned ON, battery positive voltage is applied to the coil, closing the contacts of the EFI main relay and supplying power to the terminal +B of the ECM.

























INSPECTION PROCEDURE