Curiosii for ever!: Car repair manuals for everyone.

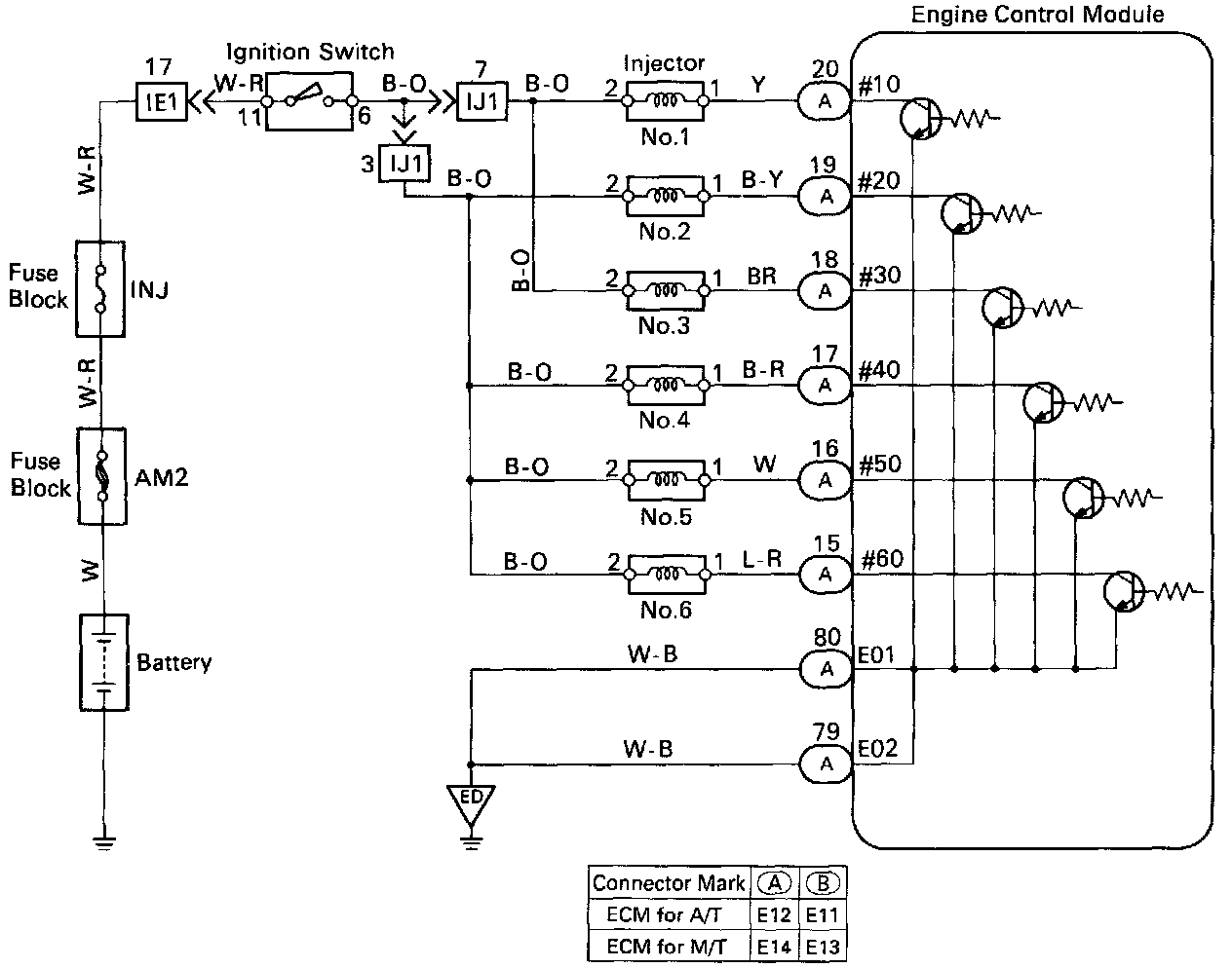
Injector Circuit

CIRCUIT DESCRIPTION
The injectors provide to the intake manifold. They inject fuel into the cylinders based on the signals from the engine control module.





Reference: INSPECTION USING OSCILLOSCOPE
- With the engine idling measure waveform between terminals #10 - 60 and E01 of engine control module.

HINT: The correct waveform appears as shown in the above image.





DIAGNOSTIC CHART





WIRING DIAGRAM














INSPECTION PROCEDURE