Curiosii for ever!: Car repair manuals for everyone.

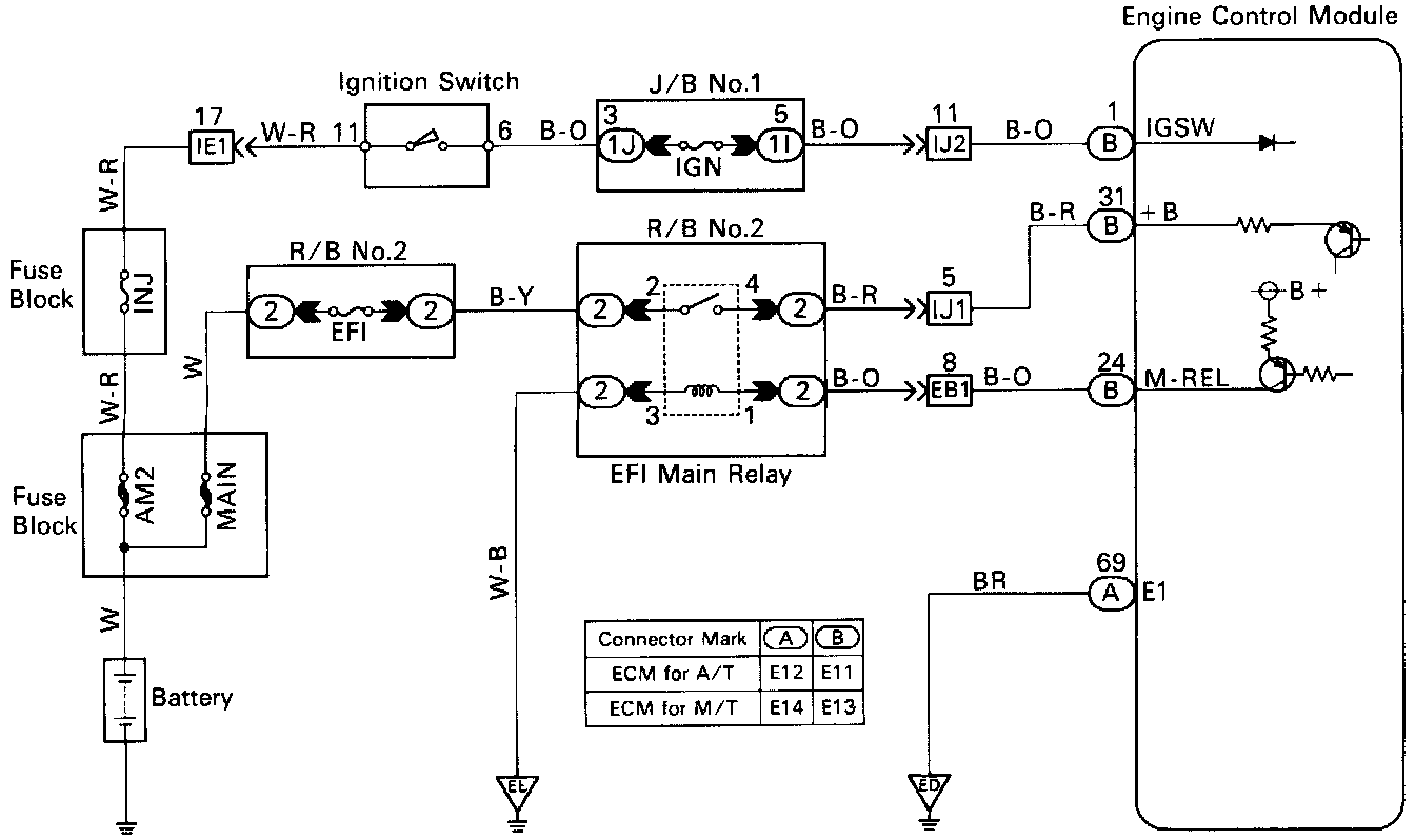
ECM Power Source Circuit





CIRCUIT DESCRIPTION
When the ignition switch is turned on, battery positive voltage is applied to the terminal IGSW of the ECM, and the main relay control circuit in the ECM sends a signal to the terminal M-REL of the ECM, switching on the main relay. This signal causes current to flow to the coil, closing the contacts of the main relay and supplying power to the terminal + B of the ECM.
If the ignition switch Is turned off, the ECM continues to switch on the main relay for a maximum of 2 seconds for the initial setting of the Idle Air Control (IAC) valve.





DIAGNOSTIC CHART





WIRING DIAGRAM





























INSPECTION PROCEDURE