Curiosii for ever!
: Car repair manuals for everyone.
Home
>>
Lexus
>>
1995
>>
LS 400 V8-4.0L (1UZ-FE)
>>
Repair and Diagnosis
>>
Powertrain Management
>>
Ignition System
>>
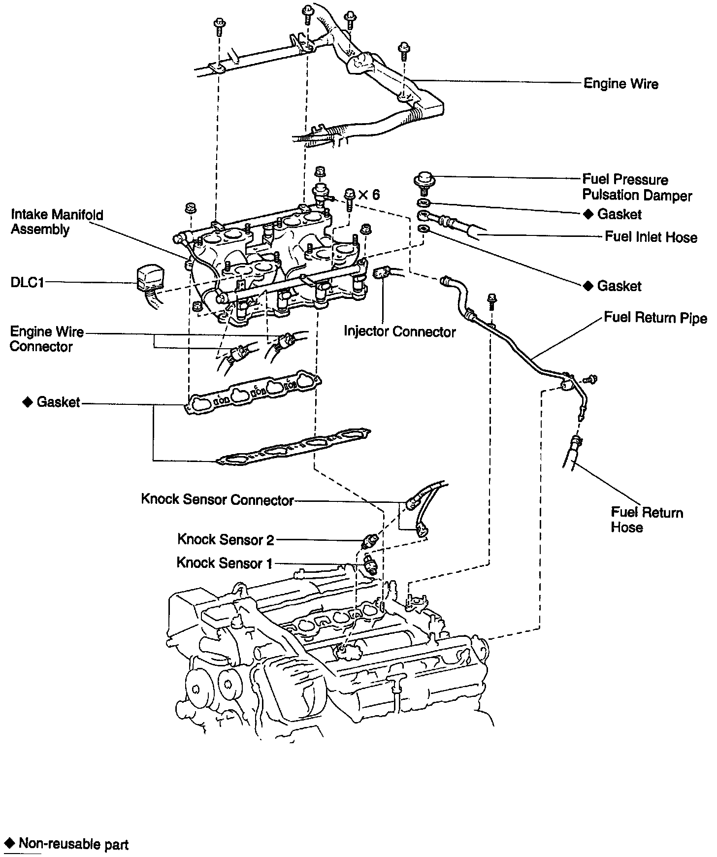
Knock Sensor
>>
Service and Repair
Knock Sensor: Service and Repair