Curiosii for ever!: Car repair manuals for everyone.

Distributor: Service and Repair












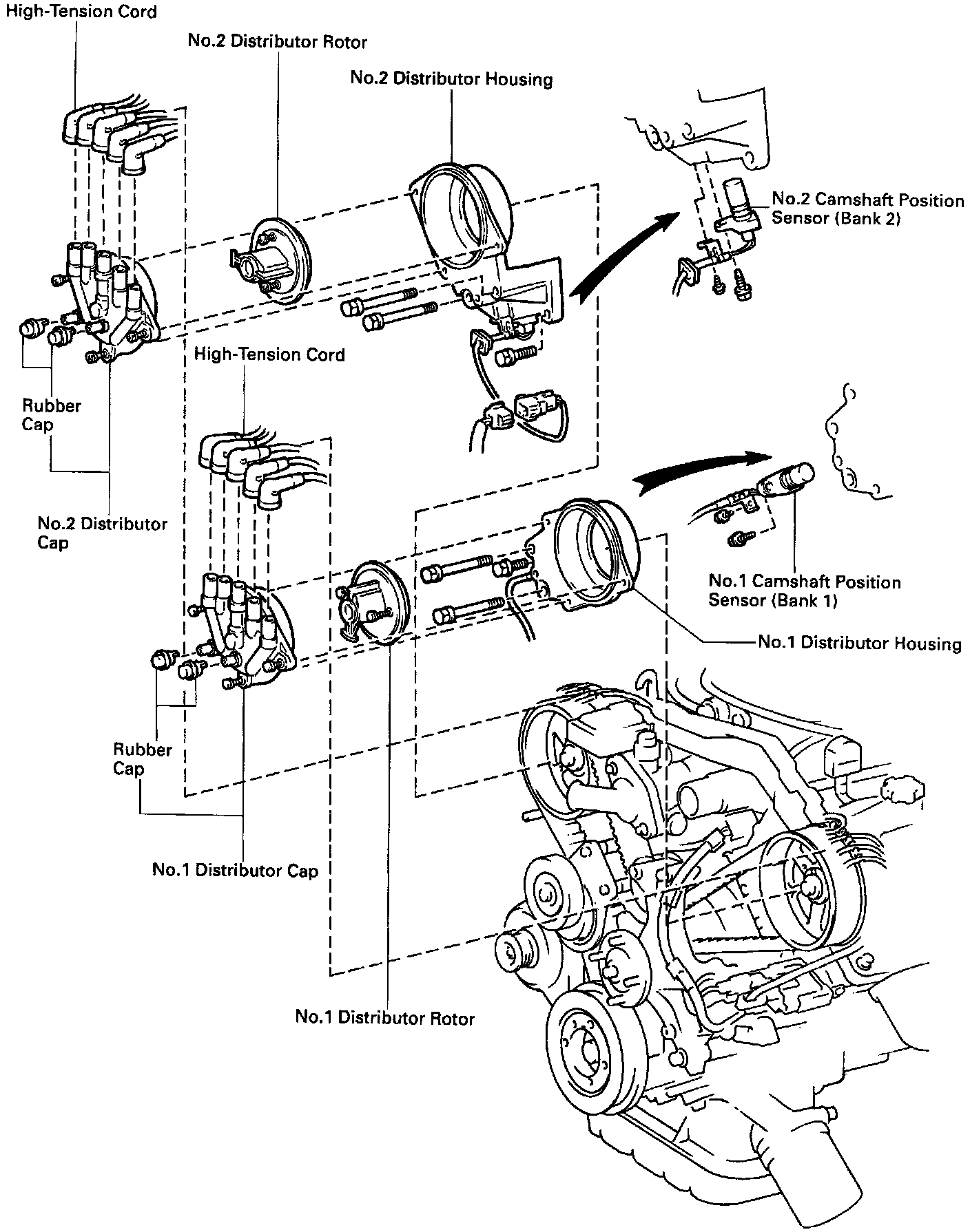
REMOVAL
1. REMOVE NO.2 TIMING BELT COVERS.
2. DISCONNECT HIGH-TENSION CORDS FROM DISTRIBUTOR CAPS.



- Disconnect the high - tension cords at the rubber boot.
- DO NOT pull on the cord.
NOTICE: Pulling or bending the cords may damage the conductor inside.

3. REMOVE DISTRIBUTOR CAPS.



- Loosen the 3 bolts, and remove the distributor cap.
- Remove the 2 distributor caps.
HINT: Mark the distributor caps (No.1 and No.2).
- Remove the 2 rubber caps from each distributor cap.

4. REMOVE DISTRIBUTOR ROTORS.



- Loosen the 2 bolts, and remove the 2 distributor rotors.
HINT: Mark the distributor rotors (No.1 and No.2).

5. REMOVE DISTRIBUTOR HOUSINGS.
- No.2 distributor housing: Disconnect the camshaft position sensor connector.



- Remove the 3 bolts and distributor housing.
- Remove the 2 distributor housings.

6. REMOVE CAMSHAFT POSITION SENSORS FROM DISTRIBUTOR HOUSINGS.



- Remove the bolt, screw and camshaft position sensor.
- Remove the 2 camshaft position sensors.


INSTALLATION
1. INSTALL CAMSHAFT POSITION SENSORS TO DISTRIBUTOR HOUSINGS.
- Install the 2 camshaft position sensors with their bolts and screws.

Torque: 3.8 Nm (34 in.lb)




HINTS:
- The No.1 distributor housing is marked with "L".
- The No.2 distributor housing is marked with "R".

2. INSTALL NO.1 DISTRIBUTOR HOUSING.
- Install the distributor housing with the 3 bolts.
HINT: The No.1 distributor housing is marked with "L".



- Each bolt length is indicated in the illustration.
Bolt length:
- A: 38 mm (1.50 in.)
- B: 80 mm (3.15 in.)

Torque: 18 Nm (13 ft.lb)

3. INSTALL NO.2 DISTRIBUTOR HOUSING.
- Install the distributor housing with the 3 bolts.



- HINT: The No.2 distributor housing is marked with "R".
- Each bolt length is indicated in the illustration.
Bolt length:
- A: 38 mm (1.50 in.)
- B: 96 mm (3.78 in.)


Torque: 18 Nm (13 ft.lb)

4. INSTALL DISTRIBUTOR ROTORS.



- Align the protrusion of the distributor rotor with the groove of the camshaft timing pulley.
- Install the 2 distributor rotors with their 2 bolts.

Torque: 3.8 Nm (34 in.lb)

5. INSTALL DISTRIBUTOR CAPS.



- Install the 2 distributor caps with their 3 bolts.

Torque: 3.8 Nm (34 in.lb)

- Install the 2 rubber caps to each distributor cap.

6. CONNECT HIGH-TENSION CORDS TO DISTRIBUTOR CAPS.
- Connect the 10 high-tension cords.




NOTICE: Connect the high-tension cord by pressing on the correct place as shown in the illustration. If not done this way. the high-tension cord will interfere with the camshaft timing pulley.

7. INSTALL NO.2 TIMING BELT COVERS.
8. CHECK IGNITION TIMING.