Curiosii for ever!: Car repair manuals for everyone.

EGR Temperature Sensor: Service and Repair






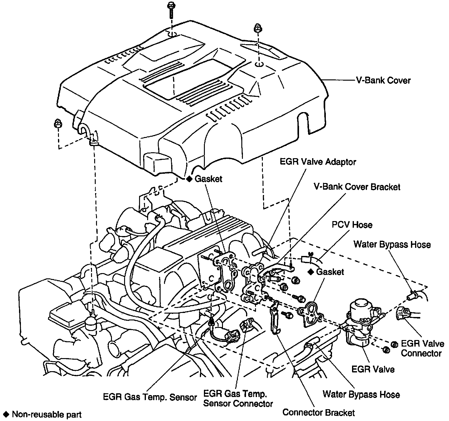
EGR GAS TEMPERATURE SENSOR REMOVAL
1. DRAIN ENGINE COOLANT.
2. REMOVE V-BANK COVER.
3. REMOVE EGR VALVE. EGR Valve
4. REMOVE EGR VALVE ADAPTOR.
- Disconnect the EGR gas temp. sensor connector.



- Disconnect the PCV hose from the EGR valve adaptor.
- Remove the 2 bolts, 2 nuts, V-bank cover bracket, EGR valve adaptor and gasket.

5. REMOVE EGR GAS TEMP. SENSOR FROM EGR VALVE ADAPTOR.



- Mount the EGR valve adaptor in a vise.
- Remove the EGR gas temp. sensor from the adaptor.
- Remove the connector bracket from the sensor connector.

- INSTALLATION IS THE REVERSE ORDER OF REMOVAL.