Curiosii for ever!: Car repair manuals for everyone.

Fuel Pump Control Circuit

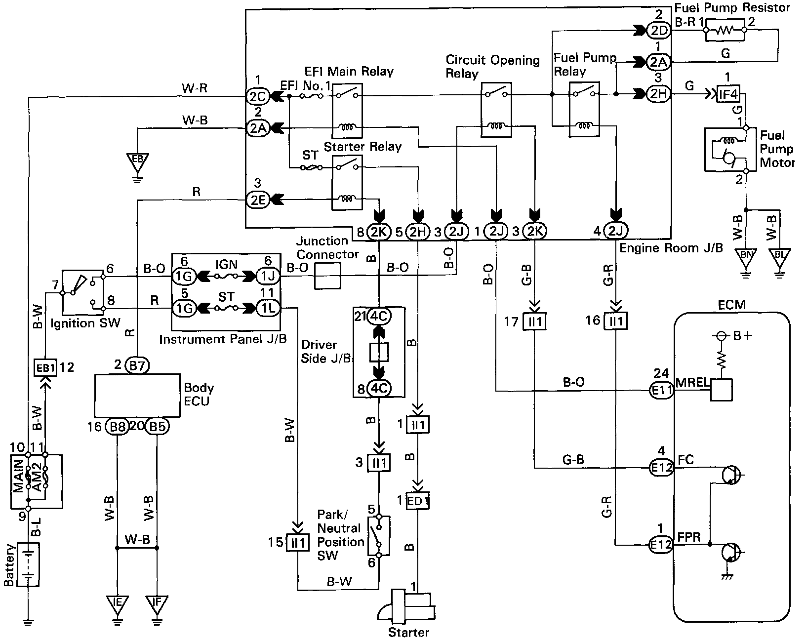
CIRCUIT DESCRIPTION
In the diagram below, when the engine is cranked, current flows from terminal ST of the ignition switch to the starter relay coil and also current flows to terminal STA (STA signal) of the ECM.

Fuel Pump Control Circuit Schematic:




When the STA signal and NE signal are input to the ECM, TR-1 is turned ON, current flows to coil of the circuit opening relay, the relay switches on, power is supplied to the fuel pump and the fuel pump operates. While the NE signal is generated (engine running), the ECM keeps TR-1 ON (circuit opening relay ON) and the fuel pump also keeps operating.

The fuel pump speed is controlled at two levels (high speed or low speed) by the condition of the engine (starting, light load, heavy load).
When the engine starts (STA ON), Tr2 in the ECM is OFF, so the fuel pump relay closes and battery voltage is applied directly to the fuel pump. Fuel pump operates at high speed.
After the engine starts, during idling or light loads, since Tr2 goes ON, power is supplied to the fuel pump via the fuel pump resistor. Fuel pump operates at low speed.


WIRING DIAGRAM

Fuel Pump Control Circuit:






INSPECTION PROCEDURE

LEXUS HAND-HELD TESTER


























OBD II SCAN TOOL (excluding LEXUS hand-held tester)