Curiosii for ever!
: Car repair manuals for everyone.
Home
>>
Lexus
>>
1995
>>
LS 400 V8-4.0L (1UZ-FE)
>>
Repair and Diagnosis
>>
Diagrams
>>
Exploded Views
>>
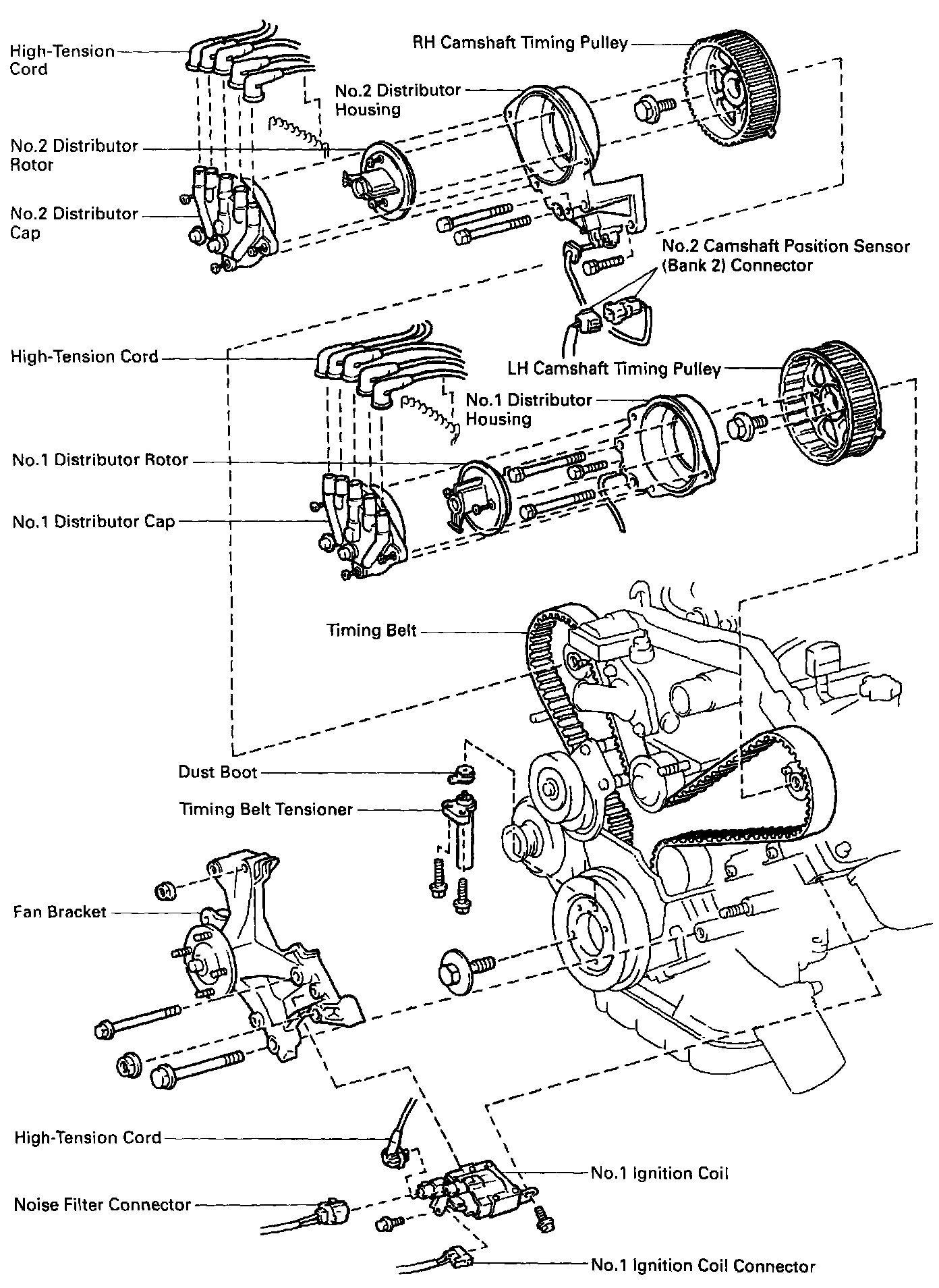
Timing Components
Timing Components
Part 1 of 4
Part 2 of 4
Part 3 of 4
Part 4 of 4