Curiosii for ever!
: Car repair manuals for everyone.
Home
>>
Lexus
>>
1995
>>
GS 300 L6-3.0L (2JZ-GE)
>>
Repair and Diagnosis
>>
Diagrams
>>
Electrical Diagrams
>>
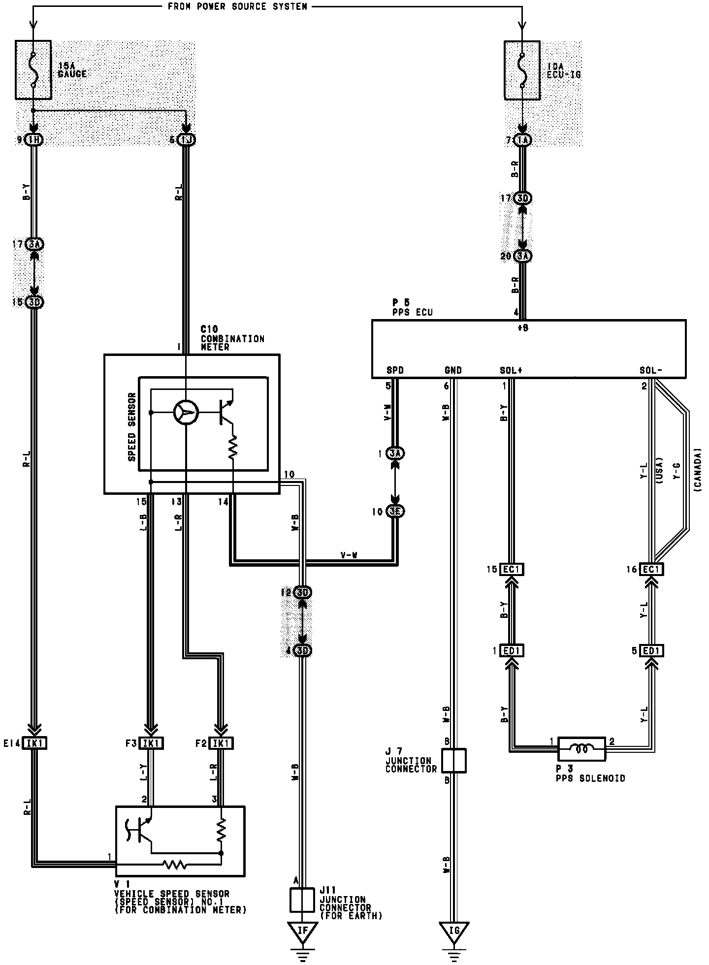
Steering Control Module
Steering Control Module
PPS (Progressive Power Steering):