Curiosii for ever!
: Car repair manuals for everyone.
Home
>>
Lexus
>>
1994
>>
SC 400 V8-4.0L (1UZ-FE)
>>
Repair and Diagnosis
>>
Relays and Modules
>>
Relays and Modules - Lighting and Horns
>>
Headlamp Control Module
>>
Diagrams
>>
Diagram Information and Instructions
>>
Automatic Light Control
>>
Relay Blocks
Relay Blocks
Relay Blocks:
RELAY BLOCKS
R/B No.2 Engine Compartment Left (Fig 19):
FIG 19
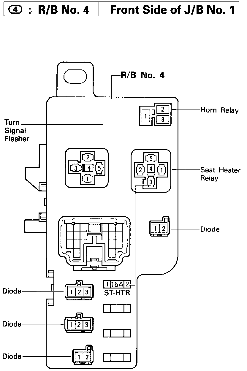
R/B No.4 Front Side Of J/B No.1 (Fig 23):
FIG 23