Curiosii for ever!: Car repair manuals for everyone.

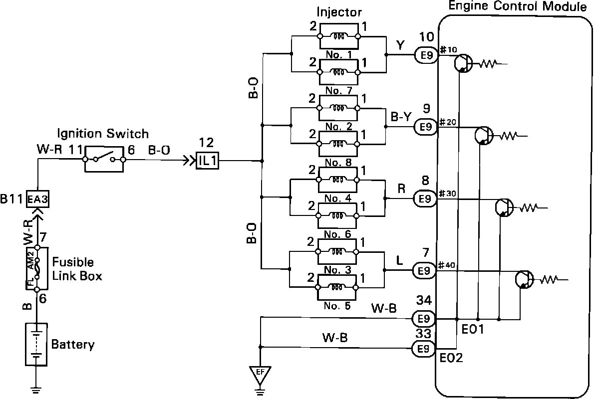
Fuel Injector Circuit

Circuit Description
The injectors are installed on the intake manifold. They inject fuel into the cylinders based on the signals from the engine control module.

Injector Circuit Scope Pattern:




Scope Pattern

Injector Circuit Diagram:




Circuit Diagram

Injector Circuit Diagnostic Chart:




Diagnostic Chart

Injector Circuit Inspection Procedure:




Injector Circuit Inspection Procedure Part 2:




Inspection Procedure