Curiosii for ever!: Car repair manuals for everyone.

Description and Diagnostic Procedure


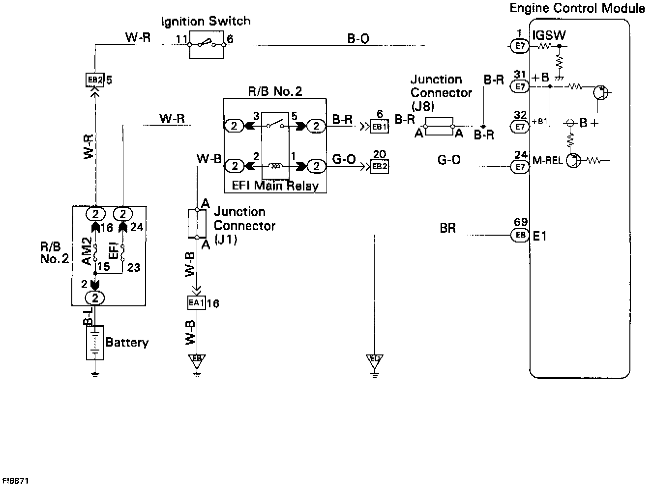
SYSTEM: Engine Control Module Power Source Circuit





CIRCUIT DESCRIPTION
When the Ignition Switch is turned ON, battery voltage is applied to the terminal IGSW of the Engine Control Module, and the main relay control circuit in the Engine Control Module sends a signal to the terminal M-REL of the Engine Control Module, switching on the main relay. This signal causes current to flow to the coil, closing the contacts of the main relay and supplying power to the terminals B+ and B1+ of the Engine Control Module.
If the Ignition Switch is turned OFF, the Engine Control Module continues to switch on the main relay for a maximum of 2 seconds for the initial setting of the Idle Air Control Valve.





DIAGNOSTIC PROCEDURE

1. Check voltage of Engine Control Module power source.
- If OK proceed to DIAGNOSIS BY SYMPTOM.
- If not OK proceed to step 2.
2. Check continuity between terminals E1 and body ground.
- If OK proceed to step 3.
- If not OK repair or replace harness or connector.
3. Check voltage of terminal IGSW.
- If OK proceed to step 6.
- If not OK proceed to step 4.
4. Check AM2 fuse.
- If OK proceed to step 5.
- If not OK check for short in the harness and all the components connected to AM2 fuse.
5. Check Ignition Switch.
- If OK check for open in harness and connector between battery and Engine Control Module.
- If not OK replace Ignition Switch.
6. Check voltage of terminal M-REL.
- If OK proceed to step 7.
- If not OK check and replace Engine Control Module.
7. Check EFI fuse.
- If OK proceed to step 8.
- If not OK check for short in the harness and all the components connected to EFI fuse.
8. Check EFI Main Relay.
- If OK proceed to step 9.
- If not OK replace EFI Main Relay.
9. Check for open and short in harness and connector between terminal M-REL and body ground.
- If OK check and repair harness or connector between EFI fuse and battery.
- If not OK repair or replace harness or connector.