Curiosii for ever!: Car repair manuals for everyone.

EGR Control Solenoid: Service and Repair

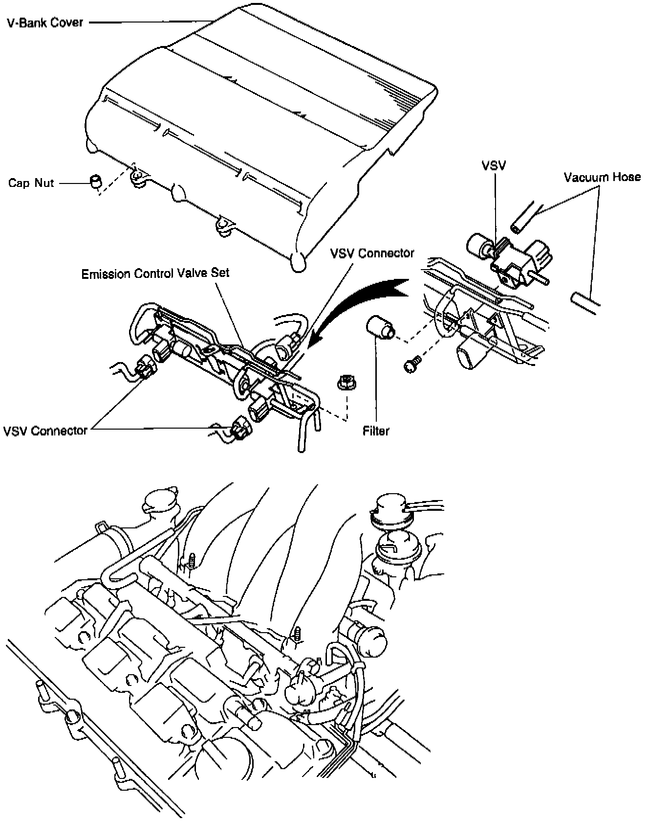
PROCEDURE

Removal





1. Disconnect negative (-) terminal cable from battery.

CAUTION: Work must be started after 90 seconds from the time the ignition switch is turned to the LOCK position and the negative (-) terminal cable is disconnected from the battery.





2. Remove V-bank cover; using a 5 mm hexagon wrench, remove the 2 cap nuts and V-bank cover.





3. Remove emission control valve set.





4. Remove the Vacuum Switching Valve (VSV).
- Remove the filter.
- Disconnect the 2 vacuum hoses and connector from the VSV.
- Remove the screw and VSV.

Installation

1. Reinstall the VSV.
- Install the VSV with the screw.
- Connect the 2 vacuum hoses and connector to the VSV.
- Install the filter.





2. Install emission control valve set.
3. Reinstall V-bank Cover





- Using a 5 mm hexagon wrench, install the V-bank cover with the 2 cap nuts.

NOTE: When positioning the V-bank cover, push on the cover until a "click" is felt.

4. Reconnect Negative (-) Terminal Cable To Battery.