Curiosii for ever!: Car repair manuals for everyone.

Vehicle Speed Sensor: Testing and Inspection

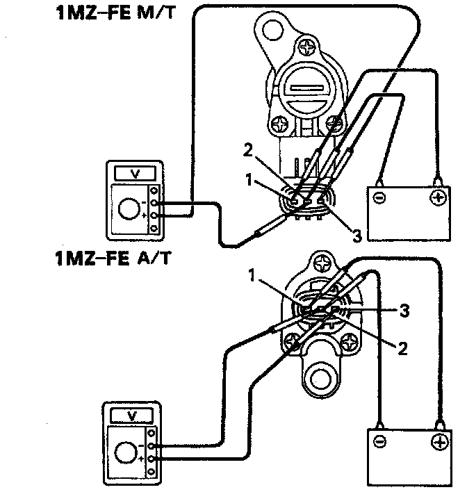
Inspection





1. Connect the positive (+) lead from the battery to terminal 1 and negative (-) lead to terminal 2.
2. Connect the positive (+) lead from a Digital Volt Ohmmeter to terminal 3 and the negative (-) lead to terminal 2.
3. Ritate the shaft.
4. Check that there is a voltage change from approximately 0.0 volts to 11.0 volts or more between terminals 2 and 3. The voltage should change 4 times per revolution of the Vehicle Speed Sensor shaft.
5. If operation is not as specified replace the Vehicle Speed Sensor.