Curiosii for ever!: Car repair manuals for everyone.

Basic Inspection

INSPECTION
When the normal code is displayed in the Diagnostic Trouble Code check, troubleshooting should be performed in the following order for all possible circuits to be considered as the causes of the problems.
In many cases, by carrying out the basic engine check shown in the following procedure, the location causing the problem can be found quickly and efficiently. Therefore, use of this check is essential in engine troubleshooting.

DIAGNOSTIC PROCEDURE
1. Is battery positive voltage 11 volts or more when engine is stopped?
- If YES proceed to step 2.
- If NO charge or replace battery.
2. Is engine cranked?
- If YES proceed to step 3.
- If NO proceed to DIAGNOSIS BY SYMPTOM.
3. Does engine start?
- If YES proceed to step 4.
- If NO proceed to step 7.
4. Check air filter.
- Remove air filter.
- Visually check that the air filter is not excessively damaged or oily.





- If necessary, clean the air filter with compressed air. First blow from inside thoroughly, then blow off outside of the air filter.
- If OK proceed to step 5.
- If not OK repair or replace.
5. Check idle speed.
- Shift transmission into "N" position or neutral.
- Warm up engine at normal operating temperature.
- Switched off all accessories.
- Switched off air conditioning.





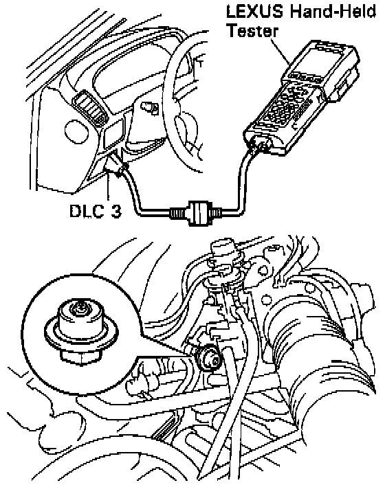
- Connect the OBDII scan tool or TOYOTA hand held tester to Data Link Connector 3 on the vehicle.

- Use CURRENT DATA to check idle speed.

Idle speed: 650 - 750 rpm

- If OK proceed to step 6.
- If not OK proceed to DIAGNOSIS BY SYMPTOM.
6. Check ignition timing.
- Shift transmission into "N" position or neutral.
- Warm up engine at normal operating temperature.
- Keep the engine speed at idle.





- Using jumper connect terminals TE1 and E1 of Data Link Connector 1. (SST 09843-18020)
- Using a timing light, connect the tester to No. 1 high-tension cord. Check ignition timing.

Ignition timing: 10 BTDC at idle

- If OK proceed to DIAGNOSIS BY SYMPTOM.
- If not OK proceed to IGNITION SYSTEM.
7. Check fuel pressure.
- Be sure that fuel is enough in tank.
- Turn ignition switch ON.





- Connect the TOYOTA hand held tester to the Data Link Connector 3 on the vehicle.
- Use ACTIVATE TEST mode to operate the fuel pump.
- Check that the fuel pressure dampener screw raises up when the fuel pump operates.
- If OK proceed to step 8.
- If not OK proceed to FUEL PUMP.
8. Check for spark.
- Remove the Ignition Coil.
- Remove the Spark Plug.
- Install the Spark Plug to the Ignition Coil and connect the Ignition Coil connector.
- Ground the Spark Plug.
- Disconnect the Injector connector.





- Verify that spark occurs while engine is being cranked.

Caution: To prevent excessive fuel injected from the injectors during this test, don't crank the engine for more than 1 - 2 seconds at a time.

- If OK proceed to DIAGNOSIS BY SYMPTOM.
- If not OK IGNITION SYSTEM.