Curiosii for ever!: Car repair manuals for everyone.

Inspection Procedure Using LEXUS Hand Held Tester




PROCEDURE USING LEXUS HAND HELD TESTER
1. Check Fuel Pump operation.
- Be sure that enough fuel is in the tank.





- Turn Ignition Switch ON. Using jumper connect terminals FP and + B of Data Link Connector 1 (SST 09843-18020).
- Check that pulsation damper screw rises up when terminals are connected.
- If not OK proceed to step 2.
- If OK proceed to step 4.
2. Check Engine Control Module power source circuit.
- If OK proceed to step 3.
- If not OK repair or replace.
3. Check Fuel Pump
- If OK check for open in harness and connector between terminal FP of Data Link Connector 1 and Fuel Pump, Fuel Pump and body ground
- If not OK repair or replace Fuel Pump.
4. Connect the LEXUS hand-held tester and check operation of Fuel Pump.
- Remove the fuse cover on the instrument panel.





- Connect the LEXUS hand-held tester to the Data Link Connector 3.
- Turn Ignition Switch ON and LEXUS hand-held tester main switch ON. Select the active test mode on the LEXUS hand-held tester.
- Check that pulsation damper screw rises up when Fuel Pump is on by LEXUS hand-held tester.
- If not OK proceed to step 5.
- If OK proceed to step 7.
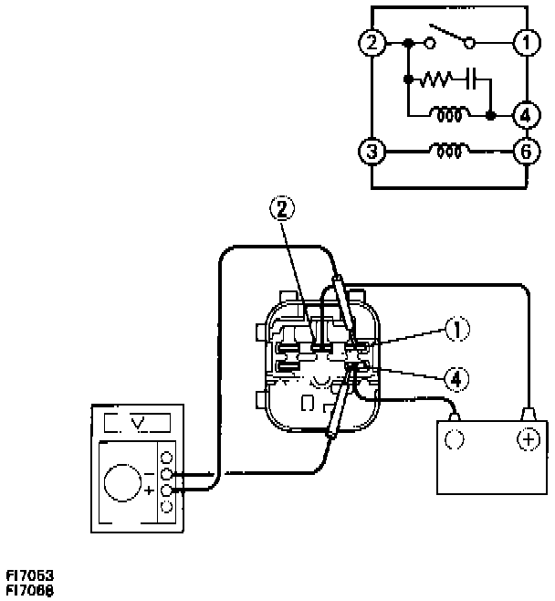
5. Check Circuit Opening Relay.
- Remove Circuit Opening Relay from Relay Box No. 6.





- Apply battery voltage between terminals 2 and 4.
- Measure voltage between terminals 1 and 4.

Terminals 1 and 4: same as battery voltage.

- If OK proceed to step 6.
- If not OK replace Circuit Opening Relay.
6. Check voltage between terminal FC of Engine Control Module and body ground.
- Remove glove compartment.
- Turn Ignition Switch ON.





- Measure voltage between terminal FC of Engine Control Module and body ground.

Voltage: 9 - 14 volts.

- If OK check and replace Engine Control Module
- If not OK check for open in harness and connector between EFI Main Relay and Circuit Opening Relay, Circuit Opening Relay and Engine Control Module.
7. Check Circuit Opening Relay.
- Remove glove compartment.
- Remove Circuit Opening Relay from Relay Box No. 6.





- Apply battery voltage between terminals 3 and 6. Check continuity between terminals 1 and 2.

Terminals 1 and 2: continuity.

- If OK proceed to step 8.
- If not OK replace Circuit Opening Relay.
8. Check voltage between terminal 3 of Relay Box No. 6 (for Circuit Opening Relay) and body ground.





- Measure voltage between terminal 3 of Relay Box No. 6 (for Circuit Opening Relay) and body ground when engine is cranked.

Voltage: 9 - 14 volts.

- If OK check for open in harness and connector between terminal 6 of Relay Box No. 6 (for Circuit Opening Relay) and body ground.
- If not OK check starter signal circuit.