Curiosii for ever!
: Car repair manuals for everyone.
Home
>>
Lexus
>>
1994
>>
ES 300 V6-3.0L (1MZ-FE)
>>
Repair and Diagnosis
>>
Diagrams
>>
Exploded Views
>>
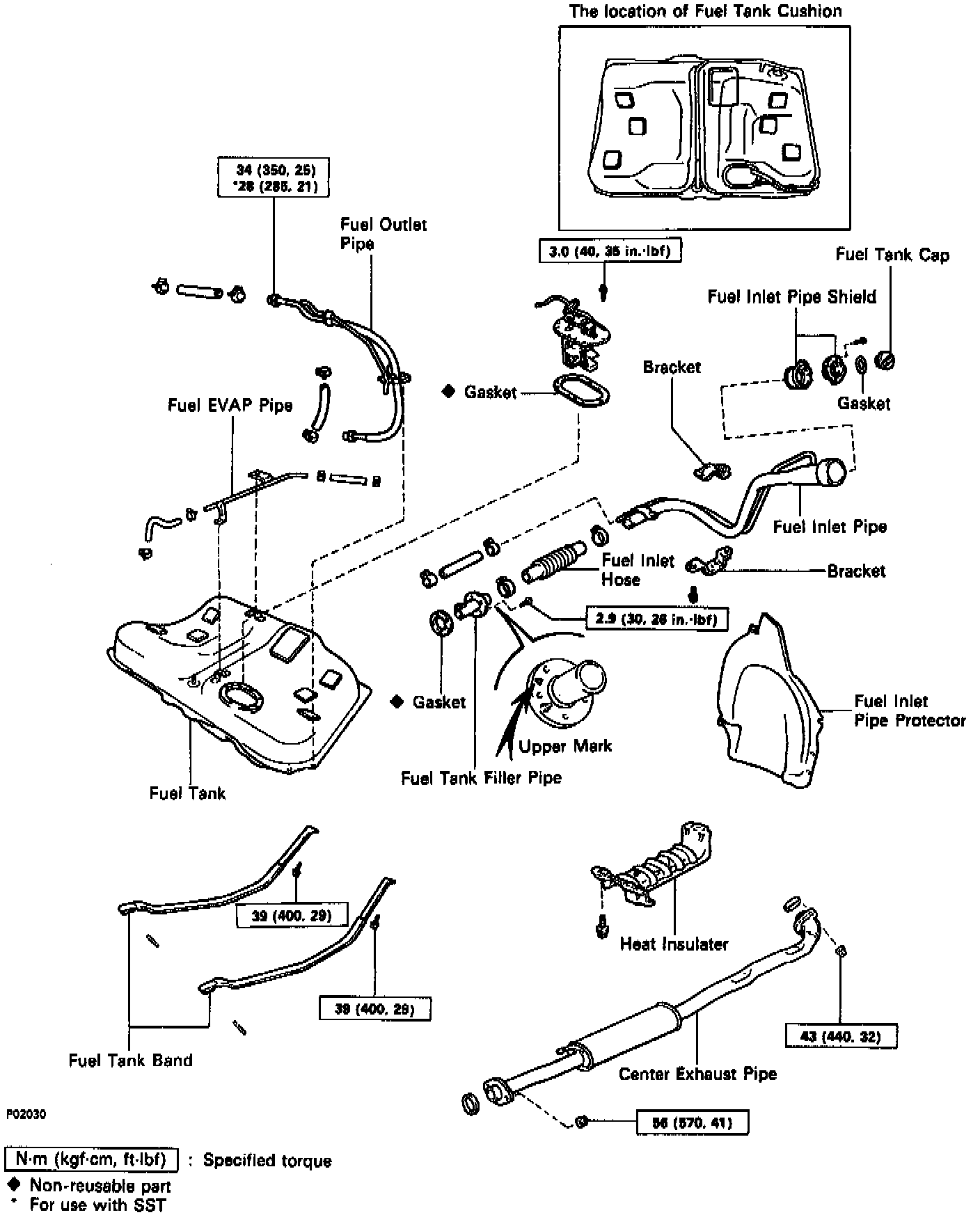
Fuel Tank
Fuel Tank
Fuel Delivery System Components: