Curiosii for ever!: Car repair manuals for everyone.

Crankshaft Position Sensor: Description and Operation

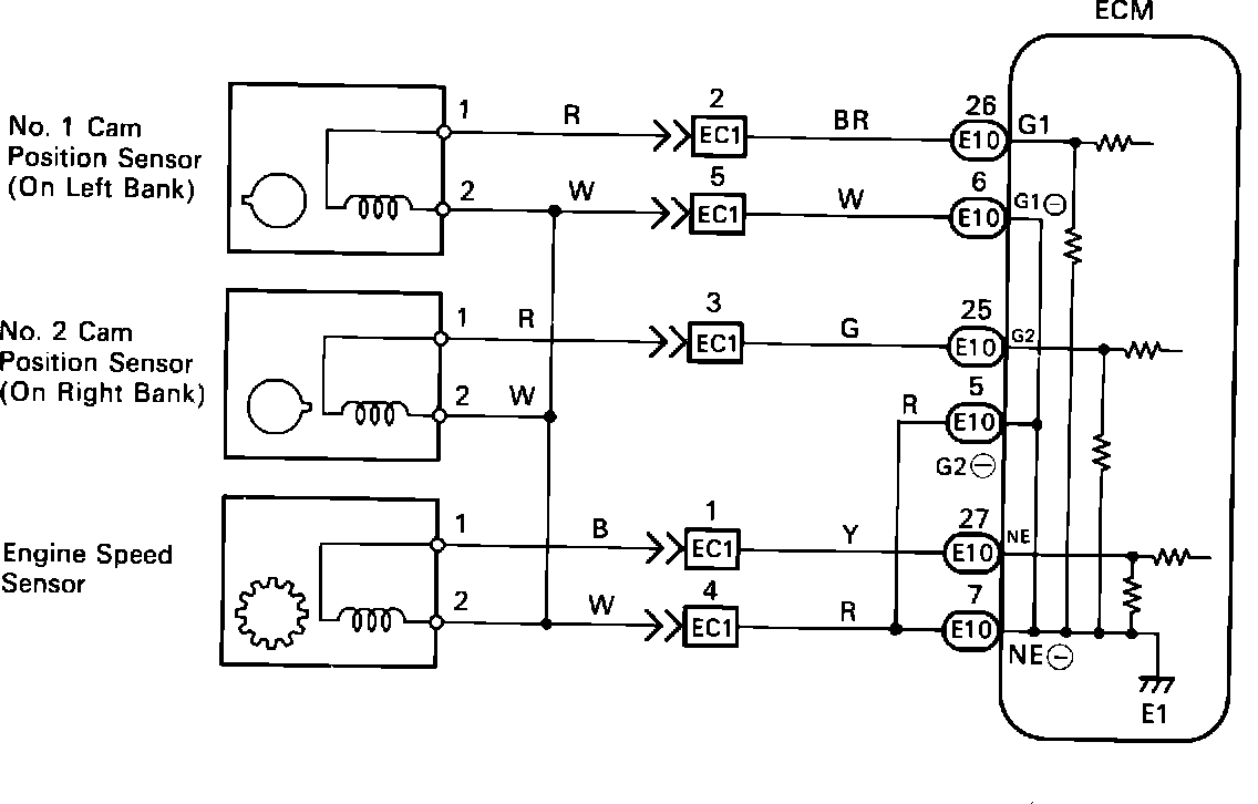
G1, G2 And Ne Signals:





PURPOSE
The crankshaft position sensor reports crankshaft rotation to the ECU. By overlapping the signal from the crankshaft position signal (NE) with that of the camshaft (G1 and G2) sensors, very accurate recording of cylinder position is possible.

LOCATION
The sensor is mounted the front of the engine behind the crankshaft sprocket.

CONSTRUCTION
The sensor is a magnetic pickup with a twelve tooth rotor.

OPERATION
The sensor reads each protrusion on the timing rotor. As the protrusion passes under the sensor tip, the sensors magnetic field collapses and causes a voltage spike. The spike is read by the ECU.

By reading the twelve tooth rotor alone, the ECU is able to determine crank angle within 30°. The input from the cam position sensors (G1 and G2) is necessary to increase resolution.