Curiosii for ever!: Car repair manuals for everyone.

ECM Power Source Circuit

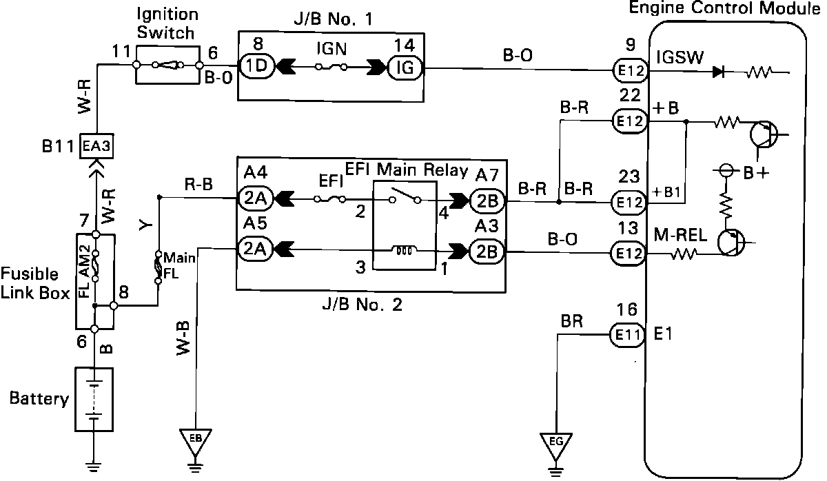
Circuit Description
When the ignition switch is turned on, battery positive voltage is applied to the terminal IG SW of the engine control module and the main relay control circuit in the engine control module sends a signal to the terminal M-REL of the engine control module switching on the main relay. This signal causes current to flow to the coil, closing the contacts of the main relay and supplying power to the terminals +B and +B1 of the engine control module.

If the ignition switch is turned off, the engine control module continues to switch on the main relay for a maximum of 2 seconds for the initial setting of the idle air control valve.

ECM Power Source Circuit Diagram:




Circuit Description

ECM Power Source Diagnostic Chart:




Diagnostic Chart

ECM Power Source Inspection Procedure:




ECM Power Source Inspection Procedure Part 2:




ECM Power Source Inspection Procedure Part 3:




ECM Power Source Inspection Procedure Part 4:




Inspection Procedure