Curiosii for ever!: Car repair manuals for everyone.

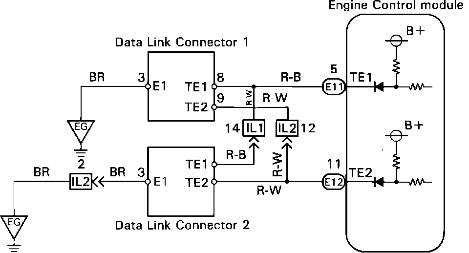
TE1, TE2 Terminal Circuit

Circuit Description
Terminal TE1 and TE2 are located in the data link connector 1 and 2.

The data link connector 1 located in the engine compartment and the data link connector 2 located in the cabin. When these terminals are connected with the E1 terminal, diagnostic trouble codes in normal mode or test mode can be read from the malfunction indicator lamp on the combination meter.

HINT:
^ If terminals TE1 and TE2 are connected with terminal E1, diagnostic trouble code is not output or test mode is not activated.

^ Even though terminal TE1 is not connected with terminal E1, the malfunction indicator lamp blinks.

^ For the above phenomenon, the likely cause is an open or short in the wire harness, or malfunction inside the engine control module.

TE1, TE2 Terminal Circuit Diagnostic Chart:




Diagnostic Chart

TE1, TE2 Terminal Circuit Wiring Diagram:




Circuit Diagram

TE1, TE2 Terminal Circuit Inspection Procedure:




Inspection Procedure