Curiosii for ever!: Car repair manuals for everyone.

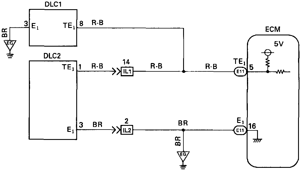
TE1 Terminal Circuit

CIRCUIT DESCRIPTION
The Engine Control Module (ECM) displays diagnostic trouble codes using the 0/D OFF indicator light when terminals TE 1 and E 1 of the DLC 2 or DLC 1 are connected.




DIAGNOSTIC CHART




WIRING DIAGRAM







INSPECTION PROCEDURE