Curiosii for ever!
: Car repair manuals for everyone.
Home
>>
Lexus
>>
1992
>>
LS 400 V8-4.0L (1UZ-FE)
>>
Repair and Diagnosis
>>
Diagrams
>>
Exploded Views
>>
Automatic Transmission/Transaxle
Automatic Transmission/Transaxle
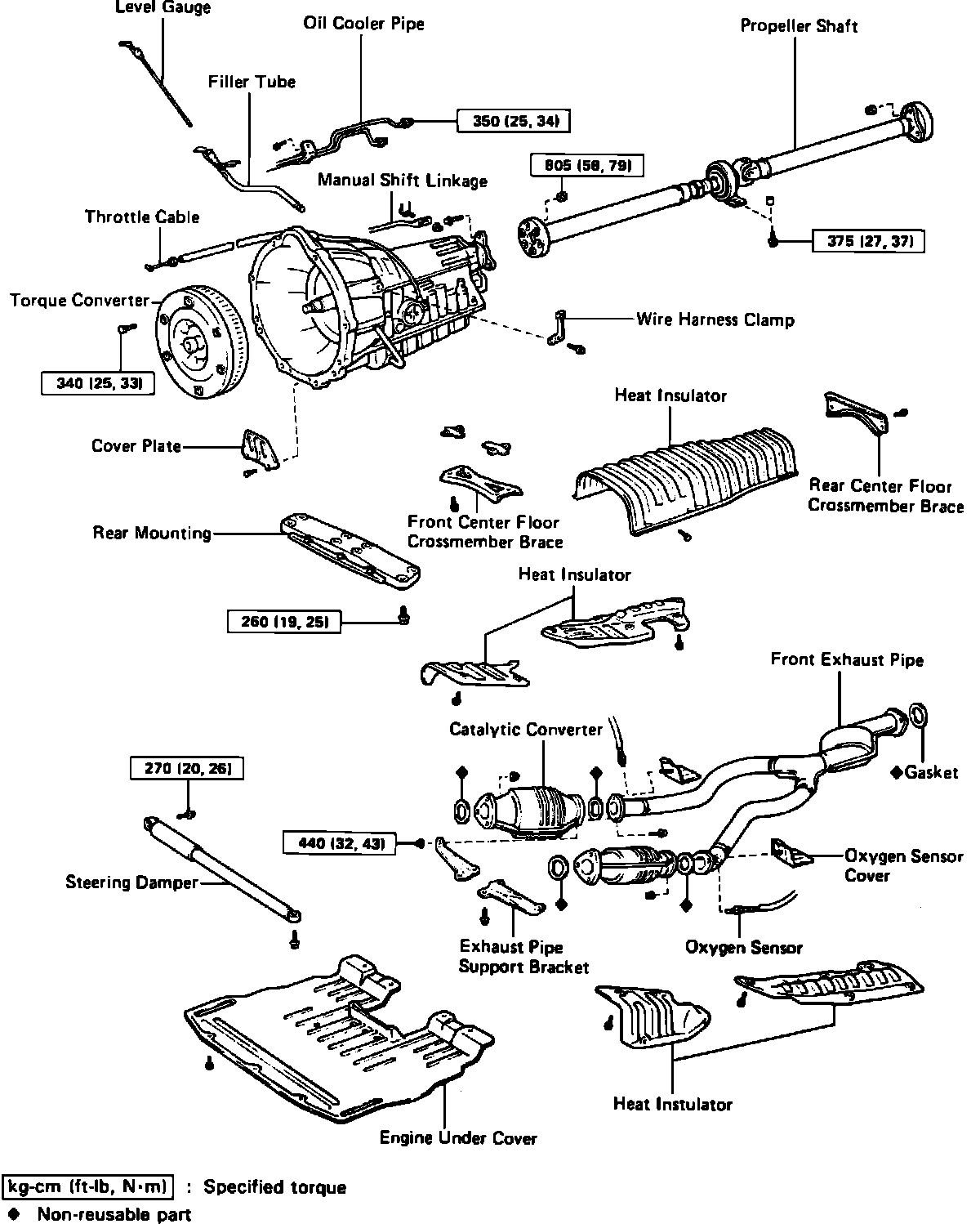
Fig. 17 Transmission Removal & Installation Diagram: