Curiosii for ever!: Car repair manuals for everyone.

Throttle Position Sensor: Description and Operation

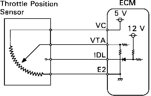
Throttle Position Sensor:





PURPOSE
The throttle position sensor detects throttle angle and idle position of the throttle plate. The ECM will set a trouble code if a malfunction occurs.

LOCATION
Mounted on the throttle body.

CONSTRUCTION
The sensor contains a potentiometer and an idle switch.

OPERATION
Whenever the throttle is opened, a varied resistance signal is reported to the ECM. When the throttle is returned to the idle position, the idle switch portion of the sensor is closed.