Curiosii for ever!
: Car repair manuals for everyone.
Home
>>
Lexus
>>
1991
>>
LS 400 V8-4.0L (1UZ-FE)
>>
Repair and Diagnosis
>>
Diagrams
>>
Connector Views
>>
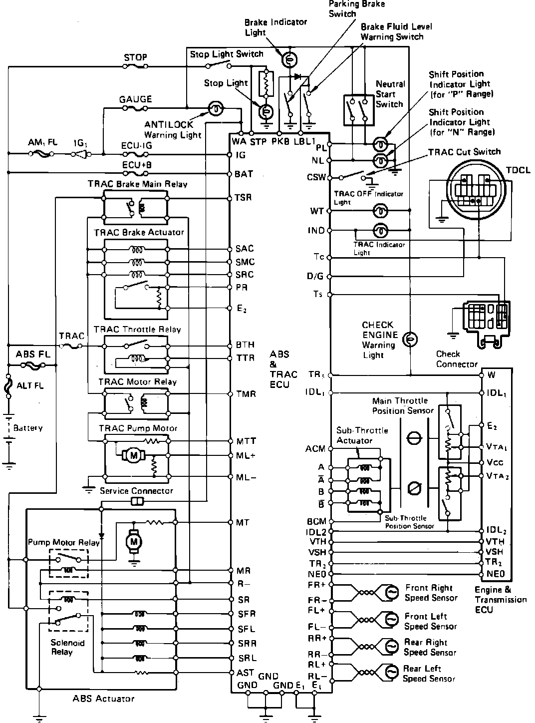
Electronic Brake Control Module
Electronic Brake Control Module
Fig. 11 Wiring Circuit & Pin Identification (Part 1 Of 2). W/TRAC:
Fig. 11 Wiring Circuit & Pin Identification (Part 2 Of 2). W/TRAC: