Curiosii for ever!: Car repair manuals for everyone.

Installation





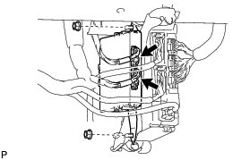
POWER DISTRIBUTION: POWER MANAGEMENT CONTROL ECU: INSTALLATION

1. INSTALL POWER MANAGEMENT CONTROL ECU

(a) Install the power management control ECU with the 2 nuts.





Torque : 9.5 Nm (97 kgf-cm, 84 in-lbf)

(b) Connect the 2 connectors.

2. INSTALL DRIVER SIDE KNEE AIRBAG ASSEMBLY Installation

3. INSTALL LOWER INSTRUMENT PANEL FINISH PANEL SUB-ASSEMBLY Installation

4. INSTALL NO. 1 SWITCH HOLE BASE Installation

5. INSTALL INSTRUMENT PANEL GARNISH LH Installation

6. INSTALL NO. 1 INSTRUMENT PANEL UNDER COVER SUB-ASSEMBLY Installation

7. INSTALL COWL SIDE TRIM SUB-ASSEMBLY LH Installation

8. INSTALL FRONT DOOR SCUFF PLATE LH Installation

9. CONNECT CABLE TO NEGATIVE BATTERY TERMINAL

NOTICE:
When disconnecting the cable, some systems need to be initialized after the cable is reconnected Repair Instruction - Initialization.

10. INSPECT SRS WARNING LIGHT

(a) Inspect the SRS warning light Diagnosis System.