Curiosii for ever!
: Car repair manuals for everyone.
Home
>>
Lexus Truck
>>
2012
>>
GX 460 V8-4.6L (1UR-FE)
>>
Repair and Diagnosis
>>
Accessories and Optional Equipment
>>
Antitheft and Alarm Systems
>>
Description and Operation
>>
Smart Access System With Push-Button Start (for Start Function)
>>
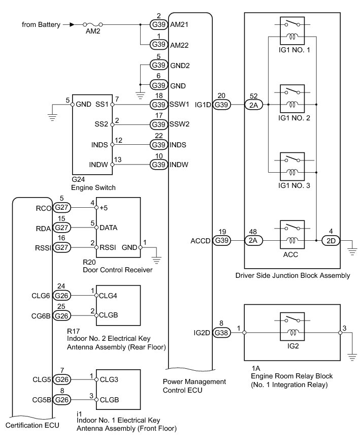
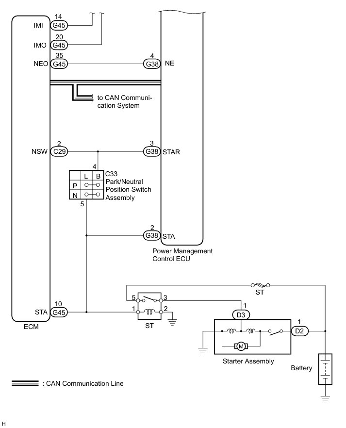
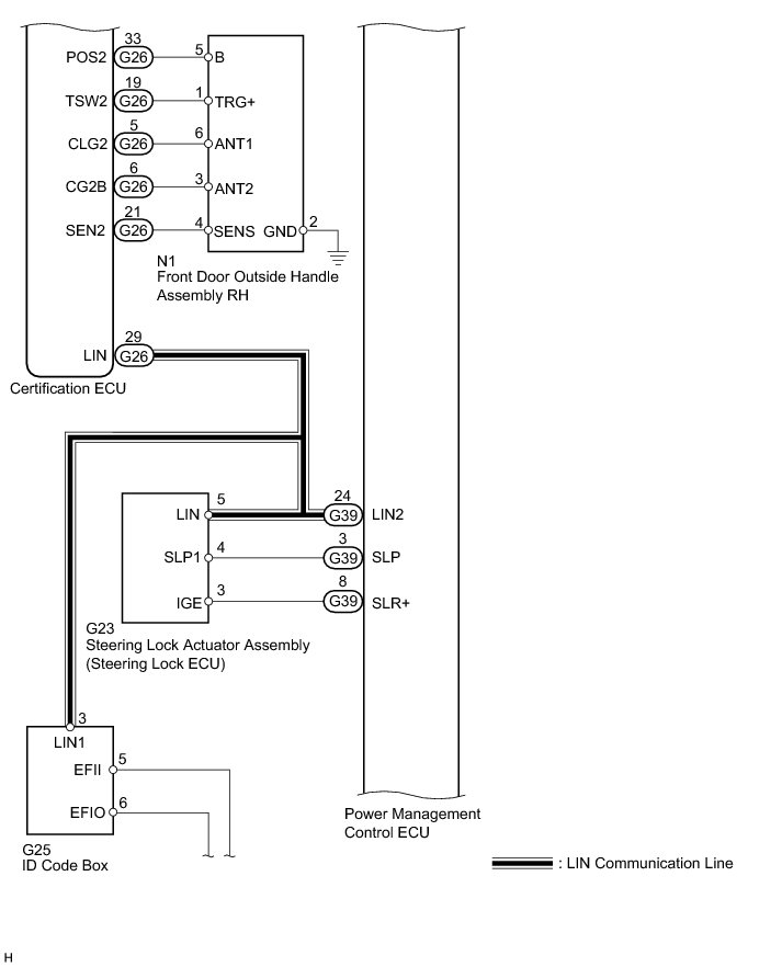
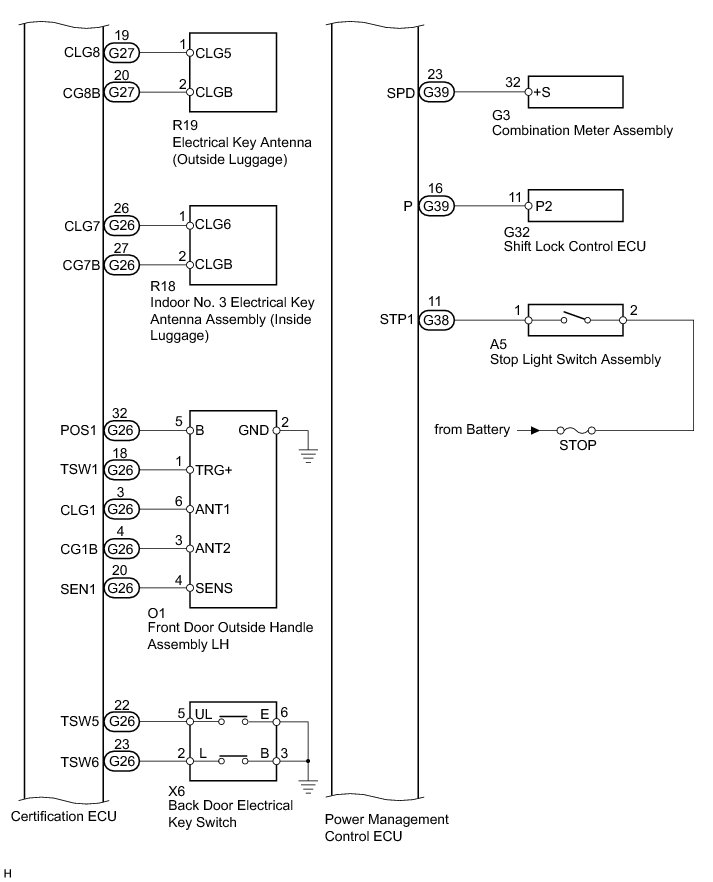
System Diagram
System Diagram
THEFT DETERRENT /
KEYLESS ENTRY
: SMART ACCESS SYSTEM WITH PUSH-BUTTON START (for Start Function): SYSTEM DIAGRAM