Curiosii for ever!
: Car repair manuals for everyone.
Home
>>
Lexus Truck
>>
2004
>>
RX 330 AWD V6-3.3L (3MZ-FE)
>>
Repair and Diagnosis
>>
Powertrain Management
>>
Computers and Control Systems
>>
Information Bus
>>
Testing and Inspection
>>
Symptom Related Diagnostic Procedures
>>
Yaw Rate Sensor Communication Stop Mode
Yaw Rate Sensor Communication Stop Mode
YAW RATE SENSOR COMMUNICATION STOP MODE
DTC Detecting Condition:
CIRCUIT DESCRIPTION
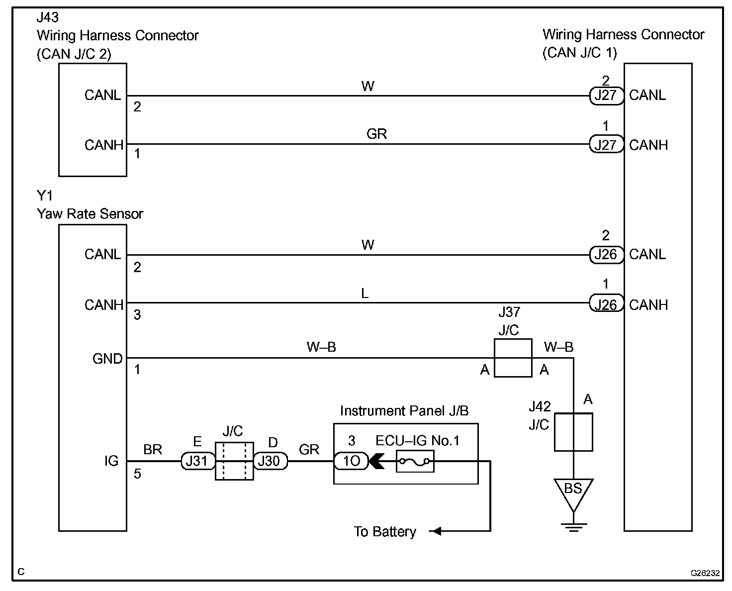
Wiring Diagram:
Step 1 - 2:
INSPECTION PROCEDURE