Curiosii for ever!: Car repair manuals for everyone.

Check CAN Main Bus Line For Disconnection

CHECK CAN MAIN BUS LINE FOR DISCONNECTION

CIRCUIT DESCRIPTION




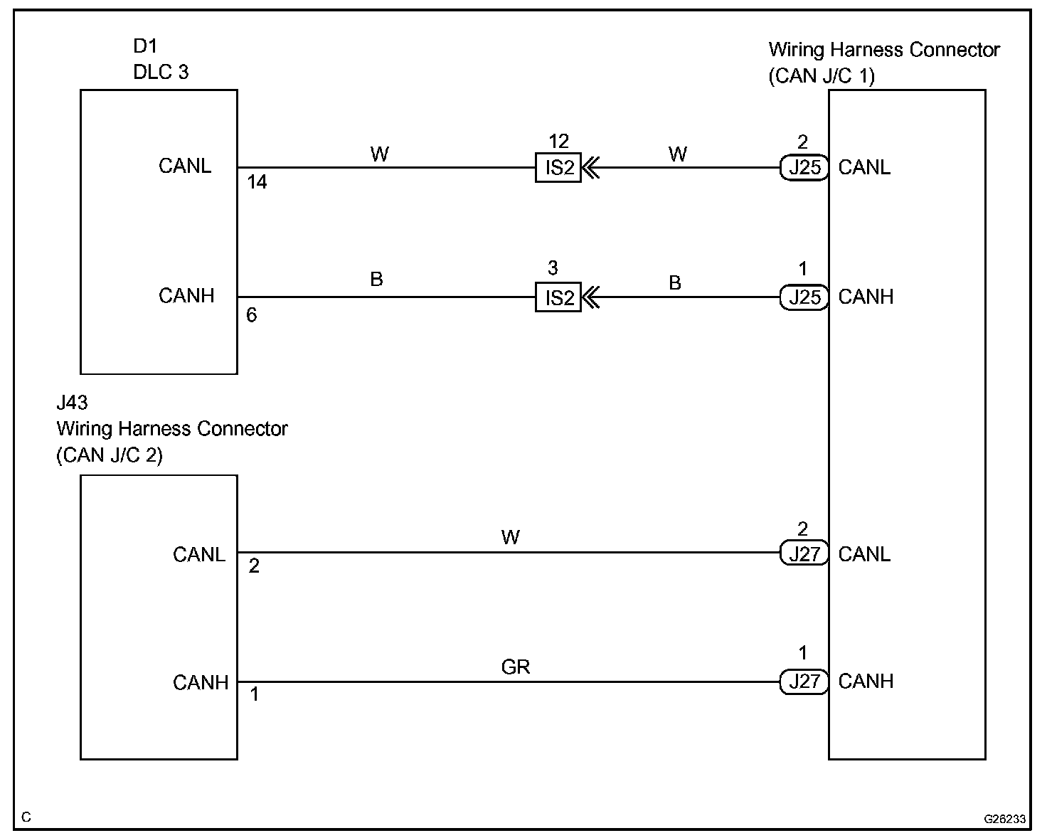
The CAN main bus line must be disconnected when the resistance between terminals 6 (CANH) and 14 (CANL) of the DLC3 is more than 67 Ohms.

Wiring Diagram:






Step 1 - 2:




Step 3:




INSPECTION PROCEDURE

HINT: Identify the connector to be checked by its color of the wire and shape of the junction on the CAN J/C because the locations of the connectors to the CAN J/C are confusing.