Curiosii for ever!
: Car repair manuals for everyone.
Home
>>
Lexus Truck
>>
2004
>>
RX 330 AWD V6-3.3L (3MZ-FE)
>>
Repair and Diagnosis
>>
Cruise Control
>>
Testing and Inspection
>>
Symptom Related Diagnostic Procedures
>>
Dynamic Laser Cruise Control System
>>
Symptom Diagnostic Procedures
>>
Distance Control ECU Power Source Circuit
Distance Control ECU Power Source Circuit
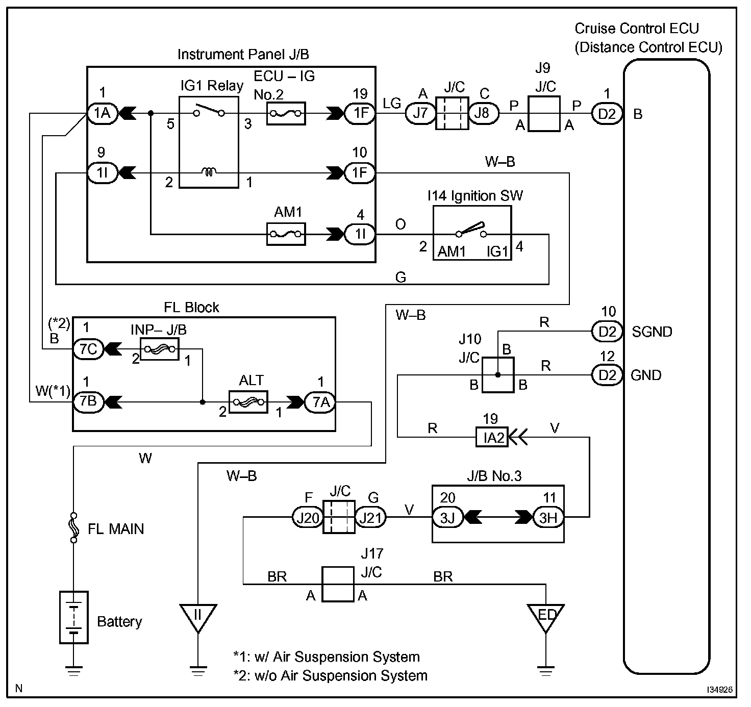
DISTANCE CONTROL ECU POWER SOURCE CIRCUIT
CIRCUIT DESCRIPTION
This circuit provides power to operate the cruise control ECU (distance control ECU).
Wiring Diagram:
Step 1 - 3:
INSPECTION PROCEDURE