Curiosii for ever!: Car repair manuals for everyone.

Key Lock-In Prevention Function Does Not Work Properly

KEY LOCK-IN PREVENTION FUNCTION DOES NOT WORK PROPERLY (MANUAL OPERATION AND KEY-LINKED LOCK ARE ACTIVATED)

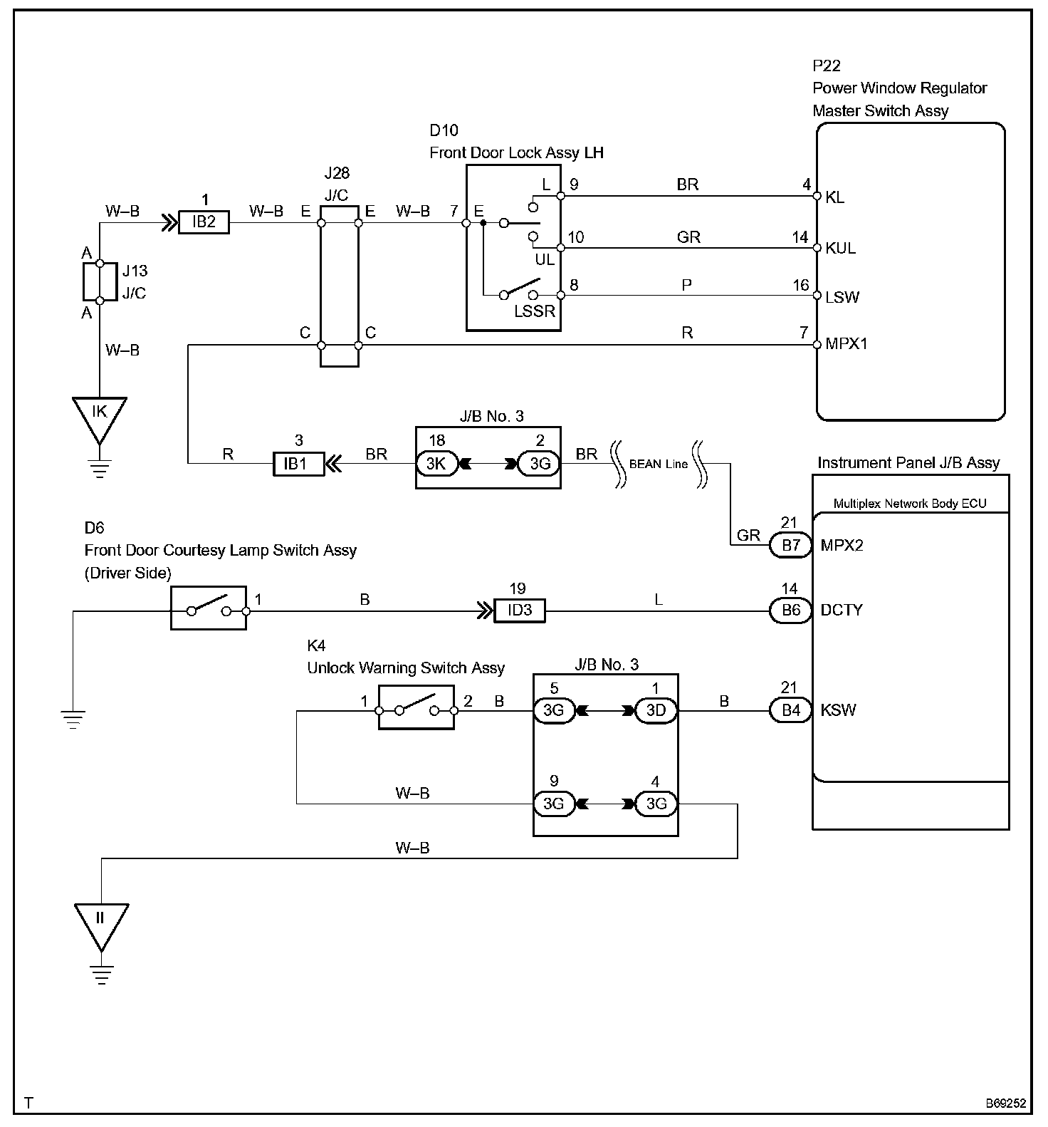
CIRCUIT DESCRIPTION

The unlock warning switch turns ON when the key is inserted into the ignition key cylinder. The courtesy lamp switch turns ON when the driver side door is opened. These 2 switches are monitored by the body ECU. In order to prevent the key from being locked in, the body ECU controls door locking operation according to the conditions of these switches so that the doors are not locked.

Wiring Diagram:






Step 1 - 2:




Step 3 - 4:




Step 5 - 6:




INSPECTION PROCEDURE