Curiosii for ever!: Car repair manuals for everyone.

Camshaft Position Sensor: Service and Repair

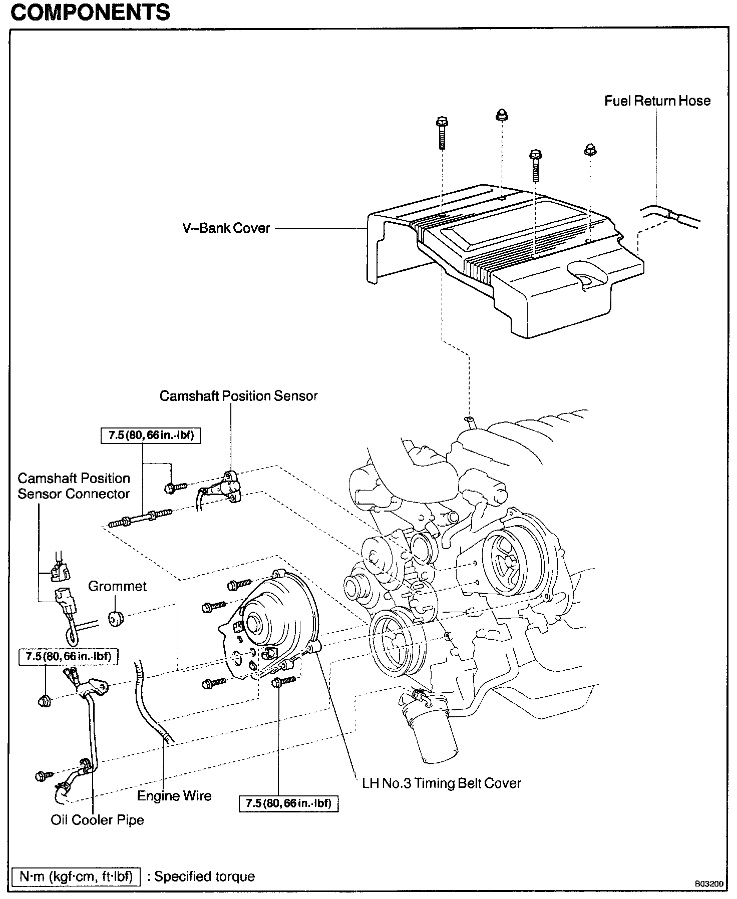
Camshaft Position Sensor:






REMOVAL
1. REMOVE V-BANK COVER
2. DRAIN ENGINE COOLANT
3. DISCONNECT UPPER RADIATOR HOSE
4. REMOVE LH N0.3 TIMING BELT COVER




5. REMOVE CAMSHAFT POSITION SENSOR
Remove the bolt, stud bolt and camshaft position sensor.

INSTALLATION




1. INSTALL CAMSHAFT POSITION SENSOR
Install the camshaft position sensor with the bolt and stud bolt

Torque: 7.5 N.m (80 kgf.cm, 66 in.lbf)

2. INSTALL LH N0.3 TIMING BELT COVER
3. CONNECT RADIATOR HOSE
4. INSTALL V-BANK COVER
5. FILL ENGINE COOLANT
6. CHECK ENGINE COOLANT FOR LEAKS
7. CHECK IGNITION TIMING