Curiosii for ever!
: Car repair manuals for everyone.
Home
>>
Lexus Truck
>>
2003
>>
LX 470 V8-4.7L (2UZ-FE)
>>
Repair and Diagnosis
>>
Heating and Air Conditioning
>>
Control Assembly
>>
Diagrams
>>
Exploded Views
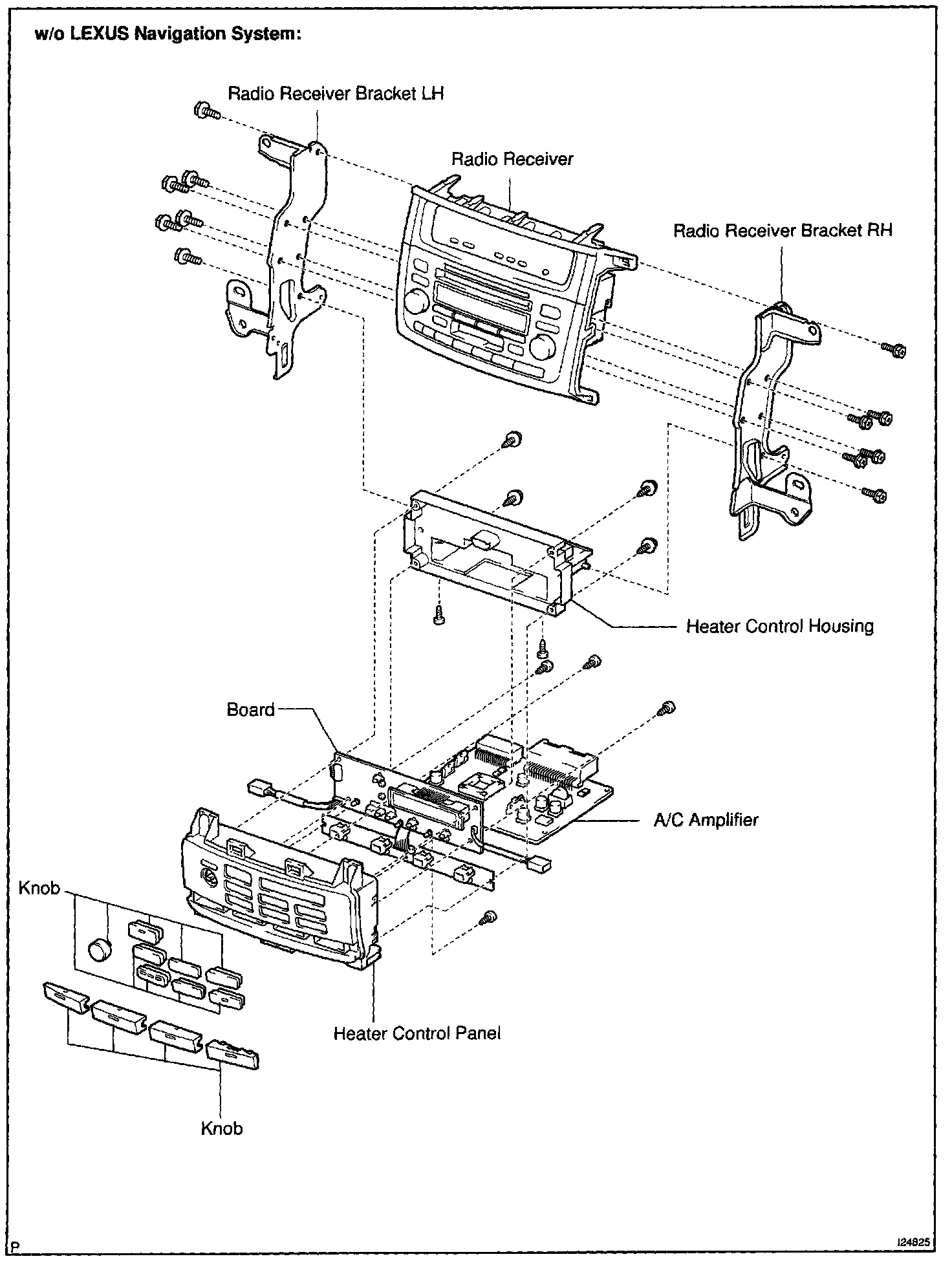
Exploded Views
Air Conditioning Control Assembly Part 1:
Air Conditioning Control Assembly Part 2:
Air Conditioning Control Assembly Part 3: