Curiosii for ever!
: Car repair manuals for everyone.
Home
>>
Lexus Truck
>>
2003
>>
LX 470 V8-4.7L (2UZ-FE)
>>
Repair and Diagnosis
>>
Diagrams
>>
Exploded Views
>>
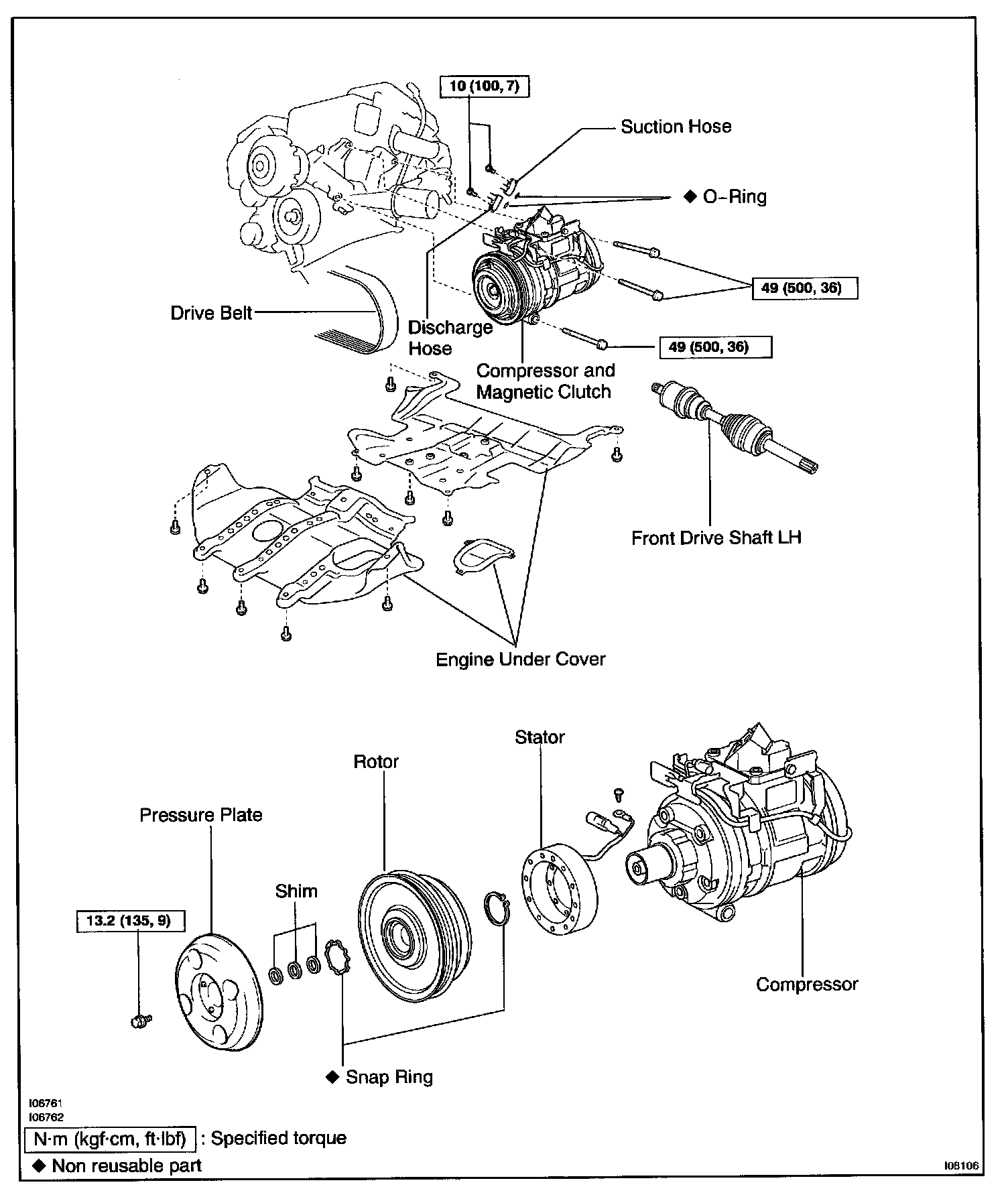
Compressor HVAC
>>
System Diagram
System Diagram
Compressor And Magnetic Clutch: